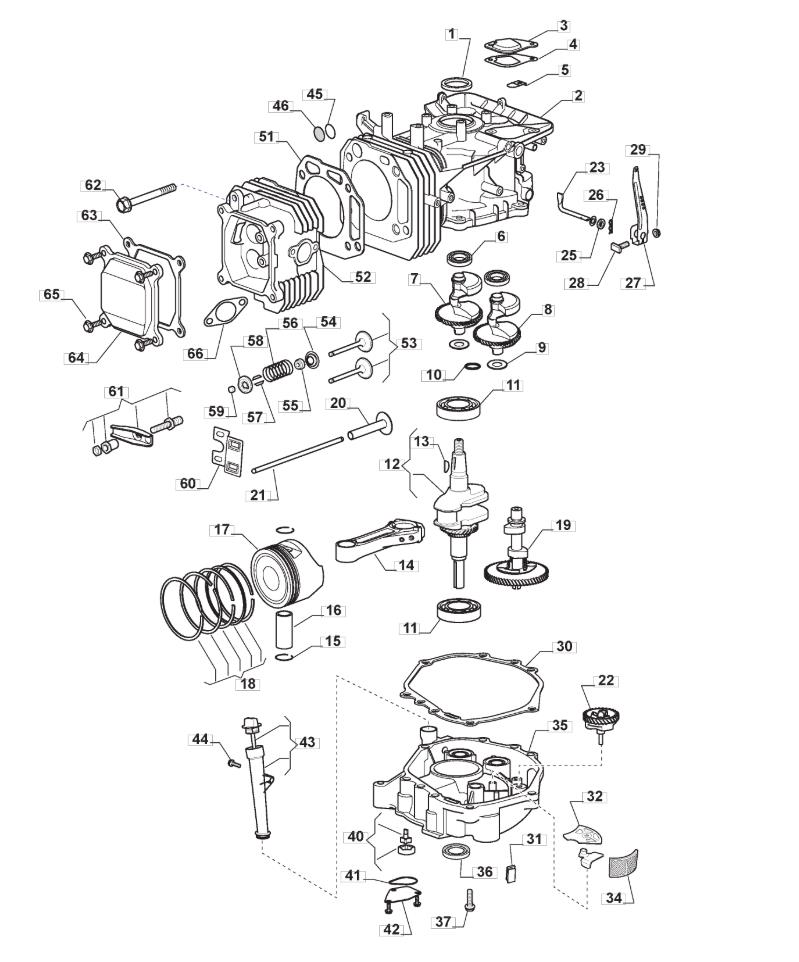
Engine - Piston, Crankshaft assembly details for Mountfield T40H (2T1730436/BQ) 2018 model
Parts list
Match the number with the image on the left and click "Add" button to add the item to your basket
Please note, that the prices are for individual items
Items might appear more than once on the drawing, please check and adjust the quantity you require.
Very satisfied. Ordered my ride on Mountfield on a Friday and it was delivered on Tuesday. My old mower taken in part exchange and no quibbles. Called a week later with a technical question and was given a great deal of help and attention. Excellent service all round.
Colwyn Lee
15/03/2026
Ordered new fuel pipes for a leaf blower. I did email World of Mowers to query when delivery would be and they replied promptly to me. Shortly after I received my order. Great service. Thank you
Helen Waite
14/03/2026
Reasonable price, quick delivery and well packaged.
Stephen Curtis
14/03/2026
I have used World of Mowers for spare parts for my Mountfield petrol mower for a number of years and wouldn’t use any other supplier. Their website is easy to navigate and identify parts and parts numbers. Very reasonable price compared with other companies and delivery times are always exceptionally quick. Would thoroughly recommend.
Philip Holtam
14/03/2026
All our prices include VAT