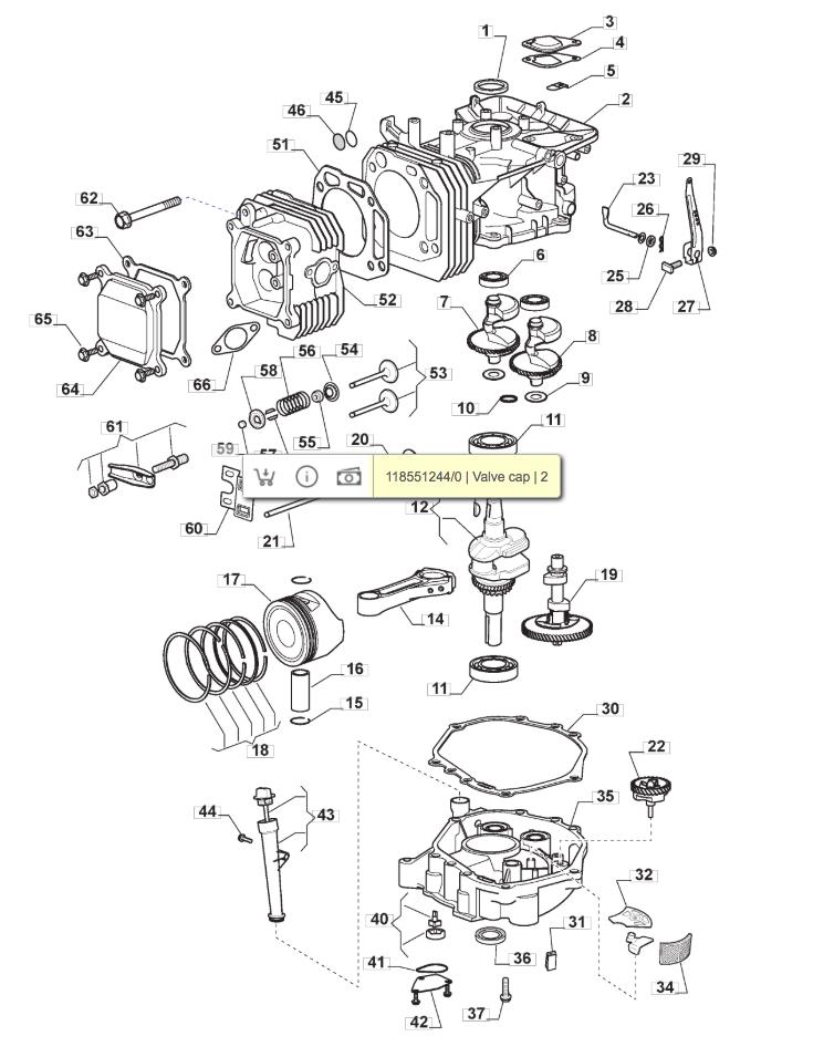
Engine - Piston, Crankshaft

Engine - Piston, Crankshaft assembly details for Mountfield T30M (2T2010436/BQ) 2018 model

Parts list

Match the number with the image on the left and click "Add" button to add the item to your basket

Please note, that the prices are for individual items

Items might appear more than once on the drawing, please check and adjust the quantity you require.

RefNoDescriptionPrice
001118551418/0OIL SEAL£10.36 Add to
003118551227/0BREATHER CHAMBER CAP£4.48 Add to
004118551229/0BREATHER CHAMBER GASKET£3.96 Add to
005118550303/0PLATE£19.87 Add to
006118551284/0BEARING£13.77 Add to
007118551242/0COUNTERWEIGHT£53.42 Add to
008118551243/0COUNTERWEIGHT£53.42 Add to
009118551282/0FLAT WASHER£2.32 Add to
010118551286/0O RING 11.7 x 2.5£1.79 Add to
011118550227/0BALL BEARING£18.13 Add to
012118550232/0CRANKSHAFT£200.51 Add to
013118550288/0WOODRUFF KEY£6.55 Add to
014118550231/1CONNECTING ROD£57.52 Add to
015118551283/0PISTON PIN CLIP£1.79 Add to
016118551241/0PISTON PIN£7.78 Add to
017118551240/0PISTON£42.53 Add to
018118550447/0PISTON RING SET (TRE0701)£32.99 Add to
019118550243/0CAMSHAFT ASSEMBLY£113.39 Add to
020118551252/0VALVE LIFTER£5.24 Add to
021118550242/1PUSH ROD£6.27 Add to
022118550347/0SPEED GOVERNOR ASSEMBLY£20.04 Add to
023118551268/0GOVERNOR ARM SHAFT£10.36 Add to
027118551220/0GOVERNOR ARM£16.62 Add to
028118550805/0BOLT£4.01 Add to
029118550806/0NUT£2.14 Add to
030118550355/1CRANKCASE GASKET£17.02 Add to
031118551258/0RUBBER GROMMET£3.64 Add to
032118551257/1COVER£8.45 Add to
034118551256/1OIL STRAINER£4.52 Add to
035118551207/0CRANKCASE COVER£170.61 Add to
036118551418/0OIL SEAL£10.36 Add to
037112691115/0HEX-HEAD SCREW M8 x 40£2.06 Add to
040118550224/1OIL PUMP£21.26 Add to
041118551287/0SEAL RING£2.06 Add to
042118550223/0OIL PUMP COVER£6.01 Add to
043118550205/2OIL DIPSTICK ASSY£21.58 Add to
044112674700/0SCREW M6 X 35£2.06 Add to
045118551230/0BREATHER VALVE£2.74 Add to
046118551228/0COVER£4.10 Add to
051118551232/0CYLINDER GASKET£25.75 Add to
053118551290/0VALVE ASSY£32.88 Add to
054118551245/0SEAT VALVE PLATE£3.55 Add to
055118551248/0VALVE STEM SEAL£8.60 Add to
056118550529/0VALVE SPRING£6.42 Add to
057118551247/0VALVE PLATE£2.06 Add to
058118551246/0VALVE SPRING RETAINER£4.68 Add to
059118551244/0VALVE CAP£3.41 Add to
060118551254/0PUSH ROD GUIDE PLATE£4.41 Add to
061118551249/0ROCKER ARM SET£8.52 Add to
065118551276/0HEXAGONAL BOLT£3.15 Add to
066118551272/0MUFFLER GASKET£2.87 Add to