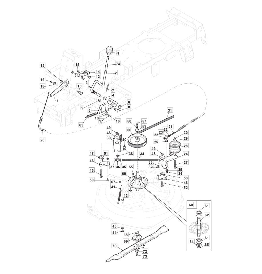
Blades Engagement

Blades Engagement assembly details for Mountfield 827M (2T0050483/M16) 2018 model

Parts list

Match the number with the image on the left and click "Add" button to add the item to your basket

Please note, that the prices are for individual items

Items might appear more than once on the drawing, please check and adjust the quantity you require.

RefNoDescriptionPrice
001125394510/0CONTROL KNOB [BLACK]£4.35 Add to
002327315149/0BLADE ENGAGE LEVER£17.26 Add to
004112521370/0WASHER M12 13 24 x 2.5£2.06 Add to
005384317099/0BLADE ENGAGE SUPPORT LEVER£16.78 Add to
006122020050/0CIRCLIP D=12£2.06 Add to
007125430208/1SPRING£3.83 Add to
008127510122/1PIN BOLT£6.27 Add to
009112154210/0SELF-LOCK WINGED NUT M8 DIN 6927£2.06 Add to
010127510122/1PIN BOLT£6.27 Add to
011384773577/0WZ BLADE ENG. RUN REDUCTION ASS.Y NR66£14.32 Add to
012112154210/0SELF-LOCK WINGED NUT M8 DIN 6927£2.06 Add to
013112815200/0SCREW TTDQ M6X16£2.06 Add to
014327734065/0LEVER SELECT PLATE£5.52 Add to
015112292102/0FLANGED HEXAGONAL NUT M6£2.06 Add to
016112000930/0CIRCLIP D=6£0.79 Add to
017112521350/0WASHER M8 8.4 x 16 x 1.6£2.06 Add to
018325670011/0ANTI-FRICTION WASHER 8.2 x 19 x 0.8£2.06 Add to
019125510085/1WZ REVERSE GEAR PEDAL PIN TC£2.06 Add to
020384004606/0BLADE ENGAGE CABLE£41.16 Add to
021127840058/1TIE ROD£13.37 Add to
022112293200/0HEXAGON NUT M8 UNI 5588 ACC.6S£1.86 Add to
023127510126/0FRONT PIN BRAKE ROD£5.46 Add to
024384307001/1BLADE ENGAGE LEVER£17.18 Add to
025325670011/0ANTI-FRICTION WASHER 8.2 x 19 x 0.8£2.06 Add to
026112293201/0HEXAGON NUT M8 WITH EXAGONAL FLANGE£2.06 Add to
027112691600/0HEX-HEAD SCREW M8x70 UNI 5737 ACC.8.8£1.91 Add to
028127604008/0MOBILE PULLEY£94.31 Add to
029112523060/0WASHER M8 8.4 X 24 X 2£2.06 Add to
030112293201/0HEXAGON NUT M8 WITH EXAGONAL FLANGE£2.06 Add to
031135061428/0DECK DRIVE BELT A41 NR66£34.44 Add to
032124487995/0R CLIP D=2£0.79 Add to
033325670011/0ANTI-FRICTION WASHER 8.2 x 19 x 0.8£2.06 Add to
034127034085/0CONNECTING ROD BLADE CLUTCH NR66£9.41 Add to
035112293200/0HEXAGON NUT M8 UNI 5588 ACC.6S£1.86 Add to
036127510126/0FRONT PIN BRAKE ROD£5.46 Add to
037112293201/0HEXAGON NUT M8 WITH EXAGONAL FLANGE£2.06 Add to
038325670011/0ANTI-FRICTION WASHER 8.2 x 19 x 0.8£2.06 Add to
039384220505/0BLADE BRAKE PLATE£15.61 Add to
040112293201/0HEXAGON NUT M8 WITH EXAGONAL FLANGE£2.06 Add to
041127430592/0BLADE BRAKE SPRING NR 66£6.14 Add to
0429897-0820-16SCREW M8 x 20£2.32 Add to
043112521350/0WASHER M8 8.4 x 16 x 1.6£2.06 Add to
044112293201/0HEXAGON NUT M8 WITH EXAGONAL FLANGE£2.06 Add to
045112692395/2SCREW M10 x 60£3.49 Add to
046327772191/0BLADE PULLEY SUPPORT BRACKET WZ NR66£6.27 Add to
047127047021/0BUSH£6.87 Add to
048112523090/0WASHER M10 11 x 40 x 2.5£1.91 Add to
049112155020/0SELF-BINDING NUT M10£2.06 Add to
050112818700/0SCREW M8 x 25£2.81 Add to
051112154210/0SELF-LOCK WINGED NUT M8 DIN 6927£2.06 Add to
0529997-1040-16SCREW M6S 10 x 40£7.23 Add to
053127047017/0PULLEY SUPPORT BUSH£5.60 Add to
055112139480/0KEY 6x6x20 UNI6604-A 6.8£2.06 Add to
056127604014/0BLADE SHAFT PULLEY£38.83 Add to
057112793102/0SCREW TE M8x20 UNI 5739 ACC.8.8£2.06 Add to
058112583500/0WASHER M8 UNI 1751 WZ£2.06 Add to
059125670007/0FIXING WASHER£2.06 Add to
060384207251/0BLADE SHAFT ASSEMBLY£106.58 Add to
061119216047/0BEARING 6204-C-2HRS£13.49 Add to
062127023003/0BLADE SHAFT£35.71 Add to
063125430259/0SPRING LOAD LIFTING LEVER PLATE£5.19 Add to
064325160501/1DUST COVER WASHER£2.06 Add to
065112609260/0CIRCLIP D=20£2.02 Add to
0669959-0825-16SCREW FLANGED TE M6SF M8 x 25£2.06 Add to
067112154210/0SELF-LOCK WINGED NUT M8 DIN 6927£2.06 Add to
068112139100/0WOODRUFF KEY 4 x 6.5 D=16 UNI6606 C40£2.75 Add to
069125463200/0BLADE BOSS£9.08 Add to
070184109505/0WINGED BLADE L=651mm NR66£42.18 Add to
071112508128/0SPRING WASHER 28 x 10 x 2,5£1.79 Add to
072112523080/0WASHER M10 11 x 30 x 2.5£2.06 Add to
073112735694/0HEX-HEAD SCREW 3/8" X 1 1/2" 24 UNF£1.97 Add to
074327315151/1BLADE ENGAGE LEVER EXTENSION£22.08 Add to