Engine - Piston, Crankshaft

Engine - Piston, Crankshaft assembly details for Mountfield 827H (2T0070483/M16) 2018 model

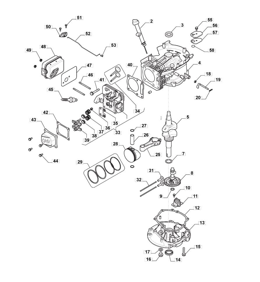
Parts list

Match the number with the image on the left and click "Add" button to add the item to your basket

Please note, that the prices are for individual items

Items might appear more than once on the drawing, please check and adjust the quantity you require.

RefNoDescriptionPrice
002118551431/0OIL FILLER TUBE ASSEMBLY£23.04 Add to
003118550300/0OIL SEAL£7.63 Add to
004118551152/0CRANKCASE ASSEMBLY£187.62 Add to
005118551115/0CRANKSHAFT£132.43 Add to
007118550283/0WASHER£3.69 Add to
009118551144/0FLAT WASHER£1.79 Add to
010112789000/0SCREW TE M5 x 12£2.06 Add to
011118551132/0SPEED GOVERNOR ASSEMBLY£18.13 Add to
012118551107/0CRANKCASE GASKET£16.50 Add to
013118551153/0CRANCKCASE COVER£99.65 Add to
014118550379/0OIL SEAL£7.10 Add to
0159959-0840-16SCREW M6SF M8 x 40£4.23 Add to
016118550780/1OIL DRAIN PLUG£3.83 Add to
017118550793/0WASHER£1.79 Add to
018118550935/0OIL SEAL (OBSOLETE) (OBSOLETE)N/A
019118551130/0GOVERNOR ARM SHAFT£7.92 Add to
020118550934/0SPRING PIN£5.21 Add to
026118550786/0PISTON PIN£5.70 Add to
027118551145/0PISTON PIN CIRCLIP£3.64 Add to
028118551113/0PISTON£42.53 Add to
029118551114/0PISTON RING SET (OBSOLETE) (OBSOLETE) (OBSOLETE) (OBSOLETE)N/A
031118550291/0VALVE LIFTER£10.09 Add to
032118551118/0PUSH ROD£7.23 Add to
033118551151/0CYLINDER HEAD ASSEMBLY£125.53 Add to
034118551150/0VALVE KIT£19.22 Add to
035118551119/0PUSH ROD GUIDE PLATE£8.32 Add to
036118551117/0VALVE STEM SEAL£8.32 Add to
037118550896/0VALVE SPRING£3.40 Add to
038118550895/0RETAINER VALVE SPRING (OBSOLETE) (OBSOLETE)N/A
039118550273/0VALVE ARM SET£14.18 Add to
040118551110/0CYLINDER HEAD GASKET£16.42 Add to
041118550297/0SCREW£6.69 Add to
042118551112/0HEAD COVER GASKET£13.43 Add to
043118551111/0HEAD COVER£16.09 Add to
0449959-0616-16SCREW M6SF M6 X 16£2.06 Add to
045118550658/0SPARK PLUG [K7RTC]£7.56 Add to
046118551143/0STUD BOLT£7.04 Add to
047118551135/0MUFFLER GASKET£12.27 Add to
048118551134/0MUFFLER£61.60 Add to
049118550806/0NUT£2.14 Add to
050118551350/0CHOKE CONTROL£27.64 Add to
051112789000/0SCREW TE M5 x 12£2.06 Add to
052118551351/0CHOKE CONTROL ROD£5.19 Add to
053118551352/0RETAINING CLIP£3.41 Add to
055112790781/0HEX-HEAD SCREW M6 x 12£1.76 Add to
056118551108/0BREATHER COVER£7.50 Add to
057118551109/0BREATHER GASKET£10.23 Add to
058118550902/0VALVE£2.06 Add to