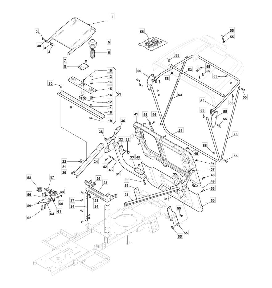
Chassis

Chassis assembly details for Mountfield 827H (2T0070483/M16) 2018 model

Parts list

Match the number with the image on the left and click "Add" button to add the item to your basket

Please note, that the prices are for individual items

Items might appear more than once on the drawing, please check and adjust the quantity you require.

RefNoDescriptionPrice
001382547061/0SEAT PLATE ASSEMBLY£39.29 Add to
002122524970/3SEAT FULCRUM PIN FROM S/N 88153£2.06 Add to
003112155010/0SELF-LOCKING NUT M8 A-LOK ACC.6S£2.47 Add to
004118203854/0NUT CAP M8 [BLACK]£2.06 Add to
005327737500/0SEAT SPRING PROTECTION£6.27 Add to
006127430589/0SHOCK ABSORBER SPRING£10.42 Add to
007112728706/0SELF-TAPPING SCREW K40 x 16£2.06 Add to
008327110508/0MICRO SEAT COVER [BLACK]£3.55 Add to
009384394751/1SEAT SWITCH ASSEMBLY£42.53 Add to
010112728697/0SELF-TAPPING SCREW TORX K50 x 16£2.06 Add to
012325785379/1SEAT MICRO SUPPORT£2.06 Add to
013112691400/0HEX-HEAD SCREW M8 X 50£1.76 Add to
014112521350/0WASHER M8 8.4 x 16 x 1.6£2.06 Add to
015327543047/0SEAT SPRING PLATE£10.09 Add to
016125430263/0SEAT SWITCH SPRING£1.79 Add to
017125160048/0SPACER£2.32 Add to
018384394751/1SEAT SWITCH ASSEMBLY£42.53 Add to
019112293201/0HEXAGON NUT M8 WITH EXAGONAL FLANGE£2.06 Add to
0209897-0820-16SCREW M8 x 20£2.32 Add to
021327650131/0WZ UPPER SEAT SUPP. REINFORCEMENT£13.77 Add to
022112293201/0HEXAGON NUT M8 WITH EXAGONAL FLANGE£2.06 Add to
023327543039/0WZ SEAT FULCRUM SUPP.PLATE NR66£15.41 Add to
024327010209/0SEAT REINFORCING BRACKET NR66£9.54 Add to
0259897-0820-16SCREW M8 x 20£2.32 Add to
026112293201/0HEXAGON NUT M8 WITH EXAGONAL FLANGE£2.06 Add to
027112791200/1SCREW TE M6 x 16£1.79 Add to
028112154510/0LOW SELF-LOCKING NUT M6 UNI7474 ACC.6S£2.06 Add to
030122675110/0WASHER D=13.5 x 20.5 x 0.5£2.14 Add to
031327869063/0WZ BAG FULCRUM TUBE SUPPORT£16.50 Add to
032112819105/0SCREW TTDQ M8 x 45£2.06 Add to
033327543029/0GRASC.FULC.SUP.TUBE FIX PLATE NR66£5.87 Add to
034327772171/0WZ RIGHT SEAT STIFF.SUPP.STIRRUP£7.92 Add to
035327772225/0WZ NR66 LEFT SEAT STIFF.SUPP.STIRRUP£9.14 Add to
036327772213/0WZ RIGHT GRASC.HOOKING STIRRUP NR66£8.73 Add to
037327772215/1WZ LEFT GRASC.HOOKING STIRRUP NR66£8.73 Add to
038112154210/0SELF-LOCK WINGED NUT M8 DIN 6927£2.06 Add to
039112691115/0HEX-HEAD SCREW M8 x 40£2.06 Add to
040112154210/0SELF-LOCK WINGED NUT M8 DIN 6927£2.06 Add to
041327543027/0PLASTIC UPPER REAR PLATE£42.53 Add to
042112728300/0SELF-TAPPING SCREW K50 x 22£2.06 Add to
043322545142/0REAR WHEEL AXLE STOP PLATE£2.06 Add to
044112728300/0SELF-TAPPING SCREW K50 x 22£2.06 Add to
045127430600/0MICRO LIFT SEAT SPRING£2.74 Add to
046112727801/0SCREW TCB TORX M6 x 20£2.06 Add to
047112728300/0SELF-TAPPING SCREW K50 x 22£2.06 Add to
048125943010/0FLANGED SCREW£2.06 Add to
049112437507/0RAPID FIXING PLATE M6£2.06 Add to
050327543025/0LOWER REAR PLATE£68.64 Add to
051384801145/0GRASSCATCHER FRAME [BLACK]£34.35 Add to
052384801147/0UPPER GRASSCATCHER FRAME BLACK£31.63 Add to
053327650133/0REINFORCEMENT BAR£8.60 Add to
055384180218/1GRASSCATCHER ASSEMBLY KIT£56.15 Add to
056327772241/0SUPPORT CLAMP£9.09 Add to
057327500065/0RW REVERSE PEDAL (PLASTIC)£4.10 Add to
058119410614/0MICRO SWITCH N.C.£6.55 Add to
059112604896/0STARLOCK WASHER D=6£2.06 Add to
060122517866/0PIN£2.06 Add to
061122450457/0SAFETY DEFLECTOR SPRING£2.32 Add to
062112791400/0SCREW TE M6x20 UNI 5739 ACC.4.8£1.79 Add to
063112292102/0FLANGED HEXAGONAL NUT M6£2.06 Add to
064112728440/0SELF-TAPPING SCREW 4.8 X 13£1.79 Add to