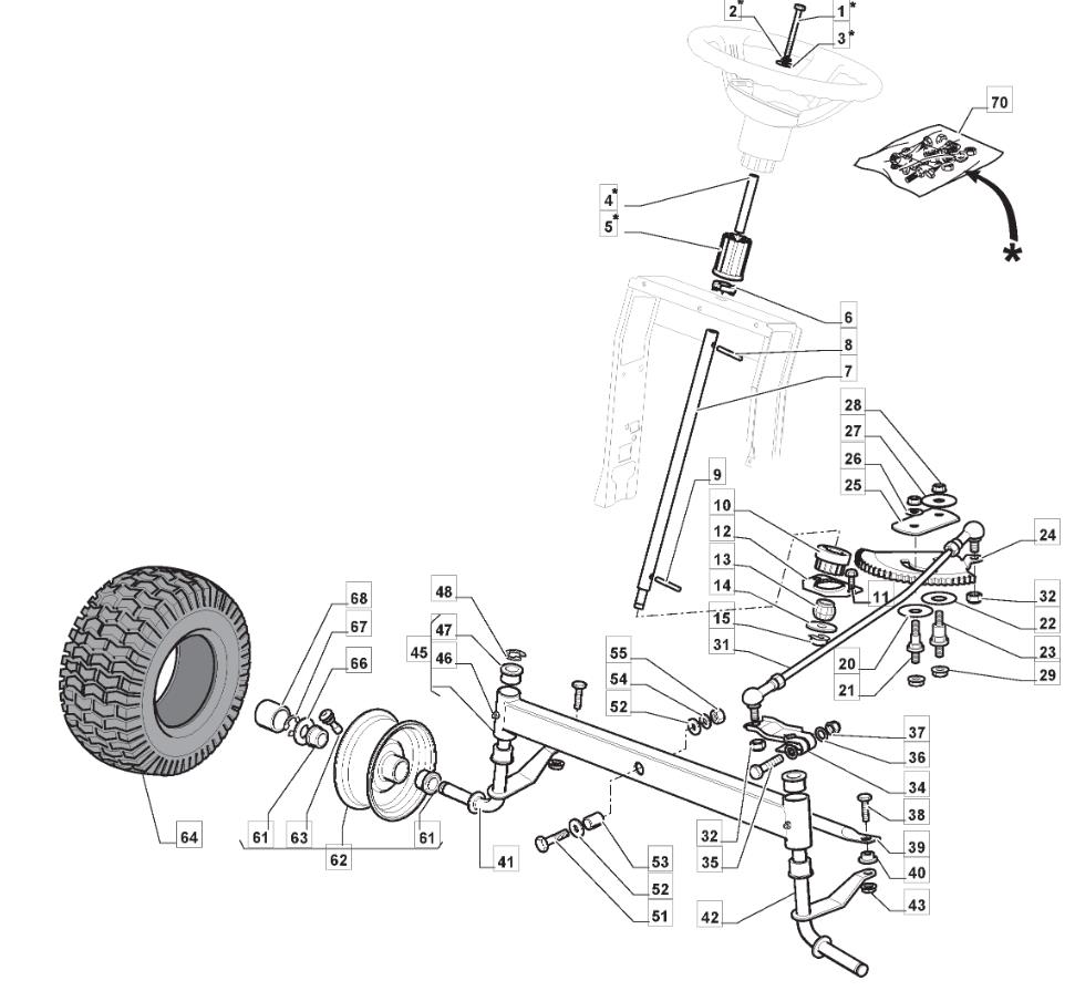
Steering

Steering assembly details for Mountfield 1538H-SD (2T0630483/M15) 2018 model

Parts list

Match the number with the image on the left and click "Add" button to add the item to your basket

Please note, that the prices are for individual items

Items might appear more than once on the drawing, please check and adjust the quantity you require.

RefNoDescriptionPrice
001112692050/0HEX-HEAD SCREW£1.91 Add to
002112540260/0INNER TOOTHED WASHER M8£2.06 Add to
003112523070/0WASHER M8 8.5 x 32 x 2.5£2.06 Add to
004125160047/0STEERING COLUMN SPACER£2.87 Add to
005325785318/0SUPPORT TUBE£8.73 Add to
006325038008/0STEERING COLUMN BUSH£2.06 Add to
007125520007/0STEERING COLUMN£20.04 Add to
008112620300/0SPIROL PIN 6 x 50£2.02 Add to
009112622650/0CYLINDRICAL PIN D=6X35£2.95 Add to
010125570003/0STEERING PINION£8.84 Add to
011127943054/0FLANGED HEX-HEAD SCREW D=6.3X13£3.09 Add to
012325785213/1STEERING JOINT SUPPORT£2.32 Add to
013325743000/0JOINT£3.00 Add to
014112521370/0WASHER M12 13 24 x 2.5£2.06 Add to
015112436030/0PIN PLATE£1.91 Add to
020322672151/0ANTI-FRICTION WASHER 12.2 x 30 x 0.8£1.91 Add to
021125510173/0PIN BOLT£2.06 Add to
022125670023/0WASHER£1.91 Add to
023125510165/0PIN BOLT£5.06 Add to
024325735519/0QUADRANT PLATE£33.22 Add to
025325547233/0STEERING QUADRANT PLATE£3.83 Add to
026112369500/0SPRING WASHER D=8£1.79 Add to
027122160400/0SPRING WASHER 50 x 2 x 10.2£2.18 Add to
028112155010/0SELF-LOCKING NUT M8 A-LOK ACC.6S£2.47 Add to
029112154210/0SELF-LOCK WINGED NUT M8 DIN 6927£2.06 Add to
031382000566/2STEERING WHEEL ROD£37.08 Add to
032112156602/0LOW SELF-LOCKING NUT M10£1.79 Add to
034325318243/0STEERING ARM£12.43 Add to
035112692395/2SCREW M10 x 60£3.49 Add to
036112521360/0WASHER M10 10.5 x 20 x 2£2.06 Add to
037112156602/0LOW SELF-LOCKING NUT M10£1.79 Add to
038125510103/0BOLT£2.06 Add to
039325840029/0TIE ROD£11.04 Add to
040325038007/0BUSH£2.06 Add to
041382230373/1R/H STUB AXLE 15"£64.06 Add to
042382230375/1L/H STUB AXLE 15"£57.52 Add to
043112155000/0LOW SELF-LOCKING NUT M8£2.06 Add to
045382034030/0FRONT AXLE ASSEMBLY£109.29 Add to
046112379511/0STRAIGHT GREASE NIPPLE M6 x 1£2.06 Add to
047125034002/1BUSH£3.96 Add to
048112001010/0CIRCLIP ID=0,580 TH=0.050£1.76 Add to
051112692695/0HEX-HEAD SCREW M12 x 60£2.06 Add to
052112523100/0WASHER M12 14 x 36 x 3£2.06 Add to
053125160016/1EQUALIZER SPACER£5.46 Add to
054112587100/0WASHER M12£2.06 Add to
055112295300/0HEXAGON NUT M12£2.06 Add to
061125122200/2WHEEL BEARING D=20£12.05 Add to
062182001507/0FRONT WHEEL RIM 4" X 6" DARK GREY£56.00 Add to
063125950000/0PNEUMATIC VALVE£5.73 Add to
064125590019/0TYRE 15 x 6.00-6 [WANDA] P512£66.59 Add to
066125670005/2SPINDLE WASHER£3.89 Add to
067112001010/0CIRCLIP ID=0,580 TH=0.050£1.76 Add to
068322110233/0HUB CAP [BLACK]£2.06 Add to
070382180124/0SCREW ASSEMBLY KIT£22.08 Add to