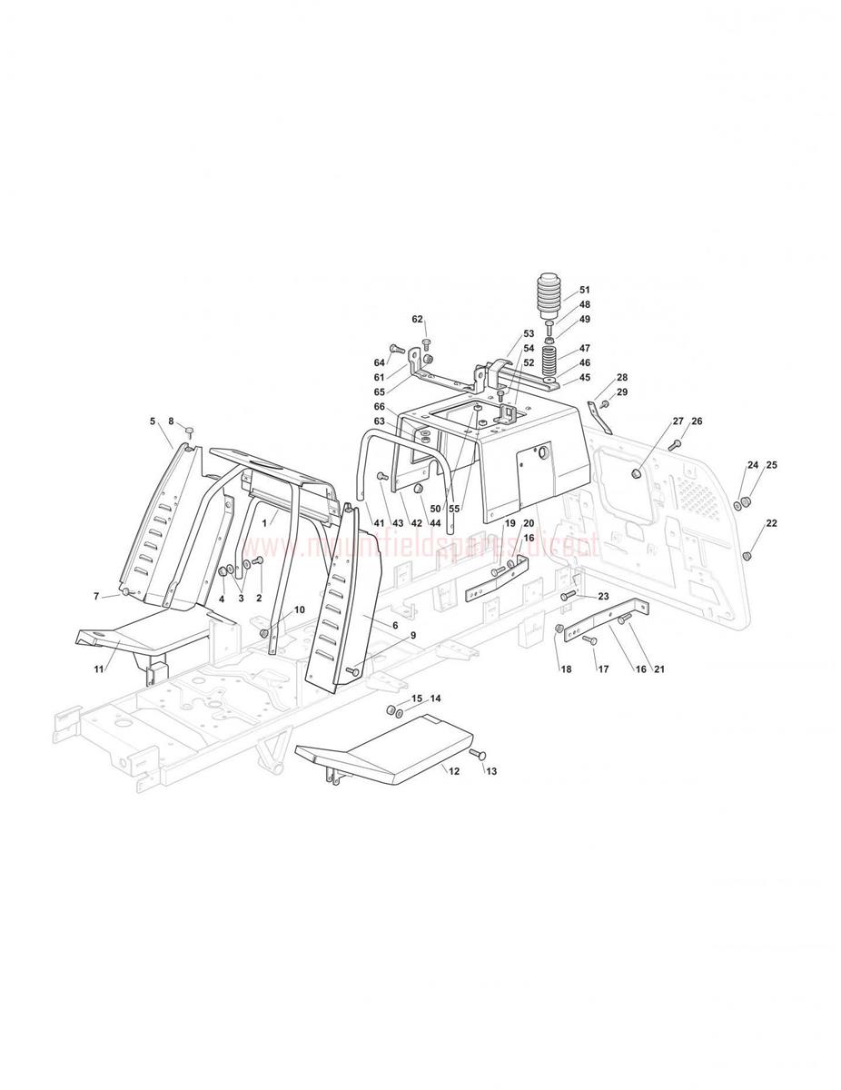
Chassis

Chassis assembly details for Mountfield MIPL2012_20120203_2448H 4WD 2012 model

Parts list

Match the number with the image on the left and click "Add" button to add the item to your basket

Please note, that the prices are for individual items

Items might appear more than once on the drawing, please check and adjust the quantity you require.

RefNoDescriptionPrice
001382785247/0DASHBOARD SUPPORT FRAME£230.29 Add to
002112674550/0SCREW TE M6 x 30£2.06 Add to
003112523040/0WASHER M6 6.6 x 18 x 1.6£2.06 Add to
004112292102/0FLANGED HEXAGONAL NUT M6£2.06 Add to
005382785022/9RIGHT DASHBOARD SUPPORT£38.60 Add to
006382785021/8LEFT DASHBOARD SUPPORT£38.60 Add to
007112735110/0FLANGED SELF-TAP SCREW 4.8 X 13£2.81 Add to
009112791400/0SCREW TE M6x20 UNI 5739 ACC.4.8£1.79 Add to
011325500046/1RIGHT FOOTBOARD£45.57 Add to
012325500047/0LEFT FOOTBOARD£36.09 Add to
013112728689/0SCREW KA50 x 12£1.79 Add to
015112523030/0WASHER M5 5.5 x 20 x 1.6£2.06 Add to
016325774273/2REINFORCING BRACKET£9.28 Add to
017112793102/0SCREW TE M8x20 UNI 5739 ACC.8.8£2.06 Add to
018112293201/0HEXAGON NUT M8 WITH EXAGONAL FLANGE£2.06 Add to
019119216047/0HEX-HEAD SCREW M8 X 35£2.06 Add to
020112293200/0HEXAGON NUT M8 UNI 5588 ACC.6S£1.86 Add to
021112792611/0SCREW TE M8x16 UNI 5739 ACC.8.8£2.06 Add to
023112794300/0SCREW TE M10 x 30£1.91 Add to
024112521360/0WASHER M10 10.5 x 20 x 2£2.06 Add to
025112156602/0LOW SELF-LOCKING NUT M10£1.79 Add to
026112791011/0SCREW TE M6x14 UNI 5739 ACC.8.8£1.79 Add to
028125430238/1SPRING£4.52 Add to
029112731580/0SELF-TAP SCREW TE 4.8 x 9.5 C15 BZ£2.06 Add to
041325869085/0SUPPORT ROD£20.45 Add to
042325785133/4SEAT SUPPORT£66.70 Add to
045325650067/1REINFORCING PLATE£6.27 Add to
046112523070/0WASHER M8 8.5 x 32 x 2.5£2.06 Add to
047125430205/1SEAT SHOCK ABSORBER SPRING£6.01 Add to
048125943001/1SCREW£2.06 Add to
050112360420/0NUT£2.06 Add to
051325737002/0PROTECTION COVER£6.01 Add to
052325755025/2SEAT SWITCH SUPPORT£6.27 Add to
053325430255/0SEAT PROTECTION SPRING£4.37 Add to
054112735110/1Screw (OBSOLETE)N/A
055112437502/0PLATE£2.06 Add to
061382774305/0SEAT SUPPORT BRACKET£11.76 Add to
062112691115/0HEX-HEAD SCREW M8 x 40£2.06 Add to
064122524970/2SEAT FULCRUM PIN FROM S/N 88152£2.18 Add to
065112155010/0SELF-LOCKING NUT M8 A-LOK ACC.6S£2.47 Add to