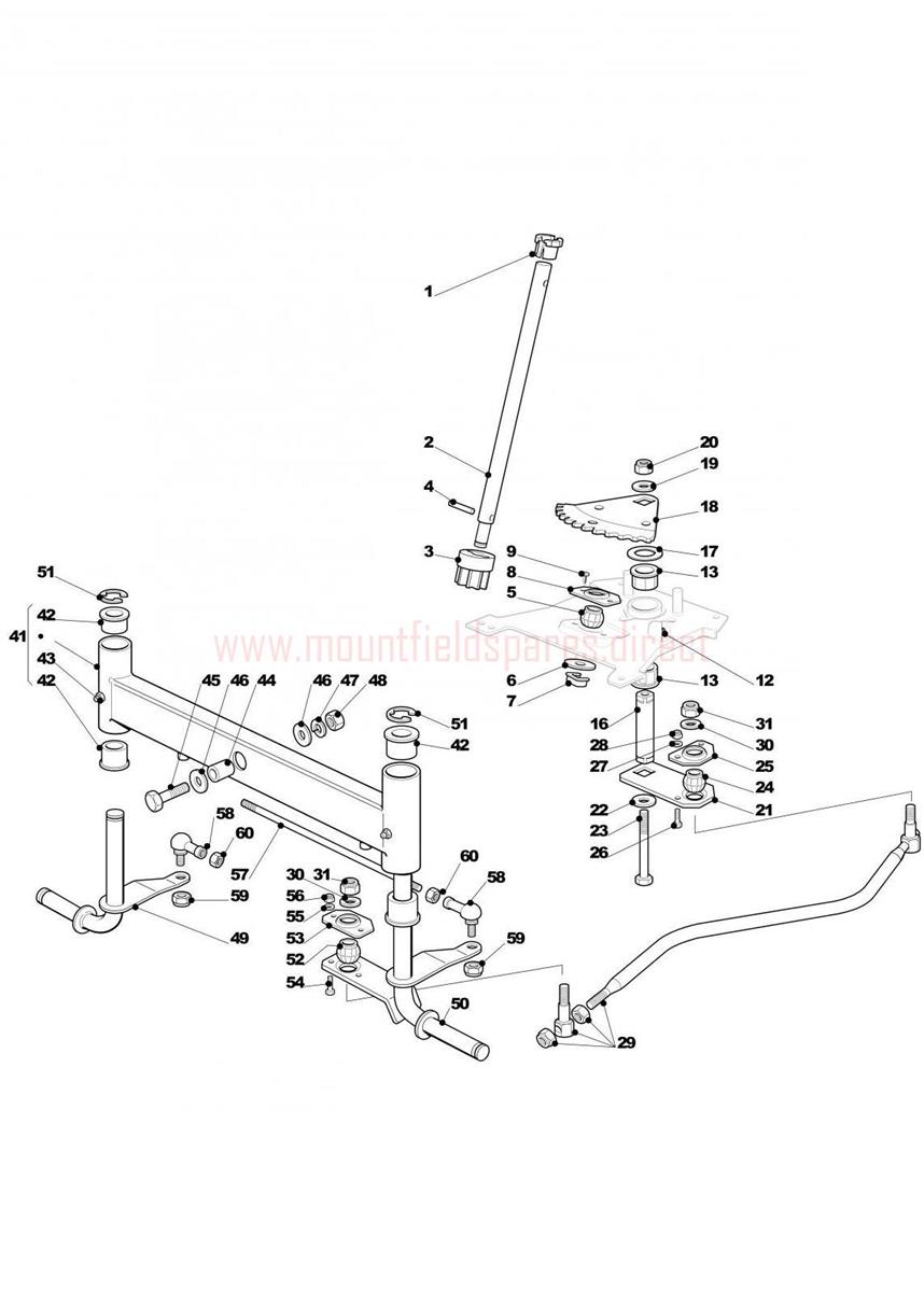
Steering

Steering assembly details for Mountfield 3600H (20110221) 2011 model

Parts list

Match the number with the image on the left and click "Add" button to add the item to your basket

Please note, that the prices are for individual items

Items might appear more than once on the drawing, please check and adjust the quantity you require.

RefNoDescriptionPrice
001125034004/0STEERING COLUMN BUSH£6.09 Add to
002125520006/1STEERING COLUMN D=16£21.95 Add to
003127570050/0STEERING PINION£10.95 Add to
004112645710/0CYLINDRICAL PIN D=6 X 32£2.14 Add to
005325743000/0JOINT£3.00 Add to
006112521370/0WASHER M12 13 24 x 2.5£2.06 Add to
007112436030/0PIN PLATE£1.91 Add to
008325785213/1STEERING JOINT SUPPORT£2.32 Add to
009112729601/1SELF-TAP SCREW TE FL 5.5 x 16£2.06 Add to
012112379511/0STRAIGHT GREASE NIPPLE M6 x 1£2.06 Add to
013325040624/0STEERING BUSH£2.06 Add to
016125510092/0PIN£16.22 Add to
017125670019/0ANTI-FRICTION WASHER 40 x 19.5 x 0.8£3.15 Add to
018325735513/0STEERING QUADRANT£12.14 Add to
019112523080/0WASHER M10 11 x 30 x 2.5£2.06 Add to
020112155020/0SELF-BINDING NUT M10£2.06 Add to
021325318205/0STEERING CONTROL LEVER£5.19 Add to
023112794985/0SCREW M10 x 120£3.69 Add to
026112791213/1SCREW M6 X 18£1.74 Add to
027112521330/0WASHER M6 6.4 X 12 X 1.6£2.06 Add to
028112154510/0LOW SELF-LOCKING NUT M6 UNI7474 ACC.6S£2.06 Add to
029382000539/1STEERING ROD ASSEMBLY 15"£58.87 Add to
030112523070/0WASHER M8 8.5 x 32 x 2.5£2.06 Add to
031112155010/0SELF-LOCKING NUT M8 A-LOK ACC.6S£2.47 Add to
041382034024/1FRONT AXLE ASSEMBLY 15"£177.43 Add to
042125034002/1BUSH£3.96 Add to
044125160016/1EQUALIZER SPACER£5.46 Add to
045112692695/0HEX-HEAD SCREW M12 x 60£2.06 Add to
046112523100/0WASHER M12 14 x 36 x 3£2.06 Add to
047112587100/0WASHER M12£2.06 Add to
048112295300/0HEXAGON NUT M12£2.06 Add to
049382230363/0RIGHT STUB AXLE£69.78 Add to
050382230365/0LEFT STUB AXLE£74.78 Add to
051112001000/0CIRCLIP ID=15 TH=1.5£1.83 Add to
057125840023/0TIE ROD£12.82 Add to
058122746609/0ANGULAR JOINT M10£18.53 Add to
059112156602/0LOW SELF-LOCKING NUT M10£1.79 Add to
060112295201/0HEXAGON NUT M10£2.06 Add to