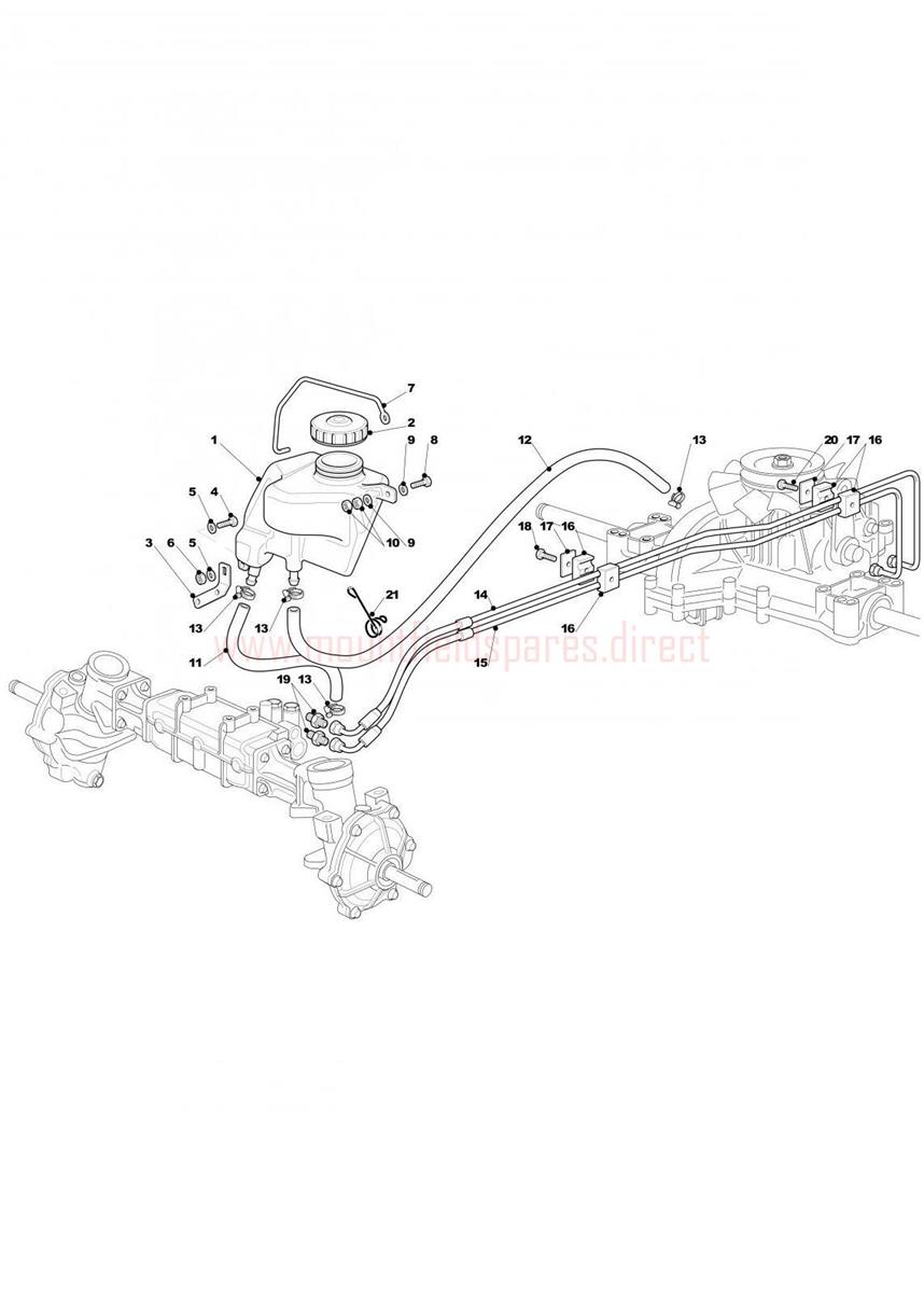
Transmission Ass.Y (2)

Transmission Ass.Y (2) assembly details for Mountfield 2448H_4WD (20110221) 2011 model

Parts list

Match the number with the image on the left and click "Add" button to add the item to your basket

Please note, that the prices are for individual items

Items might appear more than once on the drawing, please check and adjust the quantity you require.

RefNoDescriptionPrice
001325735127/0OIL TANK£37.89 Add to
002125795002/0FUEL CAP£28.04 Add to
003325755059/0TANK BRACKET [OBSOLETE]£8.32 Add to
004112789100/0HEX-HEAD SCREW M5 x 30£2.06 Add to
005112521320/0WASHER M5 5.3 x 10 x 1£2.06 Add to
006112154330/0LOW SELF-LOCKING NUT M5£2.06 Add to
007125600085/0OIL CAP GUARD£7.78 Add to
011325869076/0CONNECTING TUBE£42.53 Add to
012325869077/0CONNECTING TUBE£42.53 Add to
013118375059/0TUBE CLAMP£15.27 Add to
014382869200/1OIL TUBE£279.08 Add to
015382869201/0OIL TUBE£247.60 Add to
016325721000/0SUPPORT£3.00 Add to
017325547249/0PLATE£2.87 Add to
018112689515/0HEX-HEAD SCREW M6 x 45£2.06 Add to
019125651001/0TUBE CONNECTION£14.73 Add to
020112674700/0SCREW M6 X 35£2.06 Add to