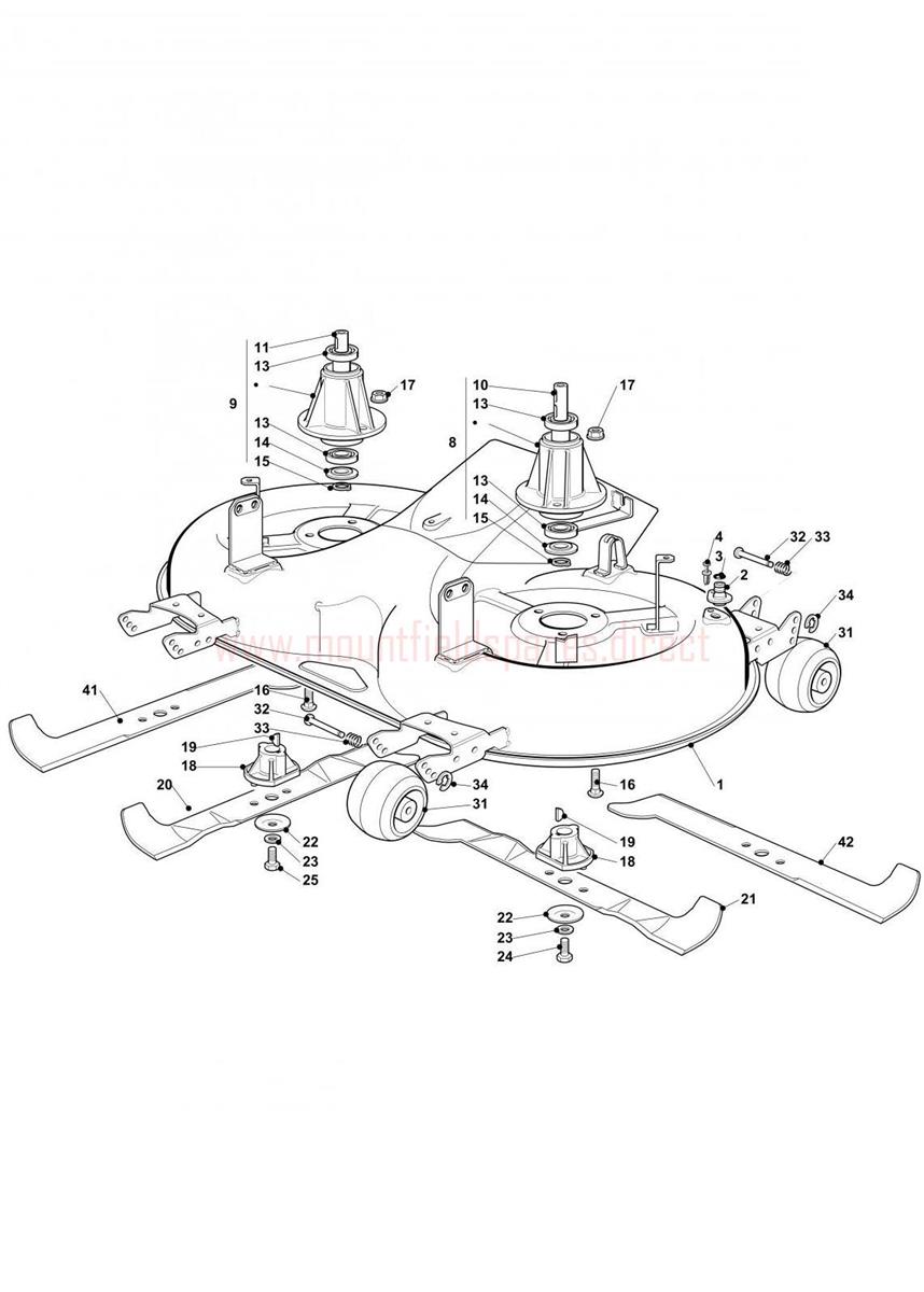
Cutting Plate

Cutting Plate assembly details for Mountfield 2248H (20110221) 2011 model

Parts list

Match the number with the image on the left and click "Add" button to add the item to your basket

Please note, that the prices are for individual items

Items might appear more than once on the drawing, please check and adjust the quantity you require.

RefNoDescriptionPrice
001382564213/0CUTTER DECK CASING 122cm [BLACK]£985.46 Add to
002125033060/0WASHING CUTTING DECK CONNECTION£2.06 Add to
003119035000/0O RING 10.77 x 2.62£5.46 Add to
004112500030/0PLASTIC RIVET 2494 AA01£2.06 Add to
008382207200/1LCL/H BLADE HOUSING ASSEMBLY£122.90 Add to
009382207201/3LCSECONDARY BLADE SHAFT ASSEMBLY£85.68 Add to
010125020800/1MAIN BLADE SHAFT£44.40 Add to
011125020801/2SECONDARY BLADE SHAFT£41.17 Add to
013119216047/0BEARING 6204-C-2HRS£13.49 Add to
014325160501/1DUST COVER WASHER£2.06 Add to
015112609260/0CIRCLIP D=20£2.02 Add to
016112818700/0SCREW M8 x 25£2.81 Add to
017112154210/0SELF-LOCK WINGED NUT M8 DIN 6927£2.06 Add to
018125463200/0BLADE BOSS£9.08 Add to
019112139100/0WOODRUFF KEY 4 x 6.5 D=16 UNI6606 C40£2.75 Add to
020182004350/0RIGHT MULCHING BLADE 122cm£47.64 Add to
021182004349/0LEFT MULCHING BLADE 122cm£47.64 Add to
022122160400/0SPRING WASHER 50 x 2 x 10.2£2.18 Add to
023112523080/0WASHER M10 11 x 30 x 2.5£2.06 Add to
024112735694/0HEX-HEAD SCREW 3/8" X 1 1/2" 24 UNF£1.97 Add to
025112735695/1HEX-HEAD SCREW 3/8" x 1 1/2" L/H THREAD£4.23 Add to
031182700004/0ANTI-SCALP WHEEL D=100mm£18.04 Add to
032125510121/1DECK FIXING PIN£9.54 Add to
033122450115/0SPRING£2.06 Add to
034112000930/0CIRCLIP D=6£0.79 Add to
041182004343/0RIGHT BLADE 122cm£46.38 Add to
042182004342/0LEFT BLADE 122cm£46.38 Add to