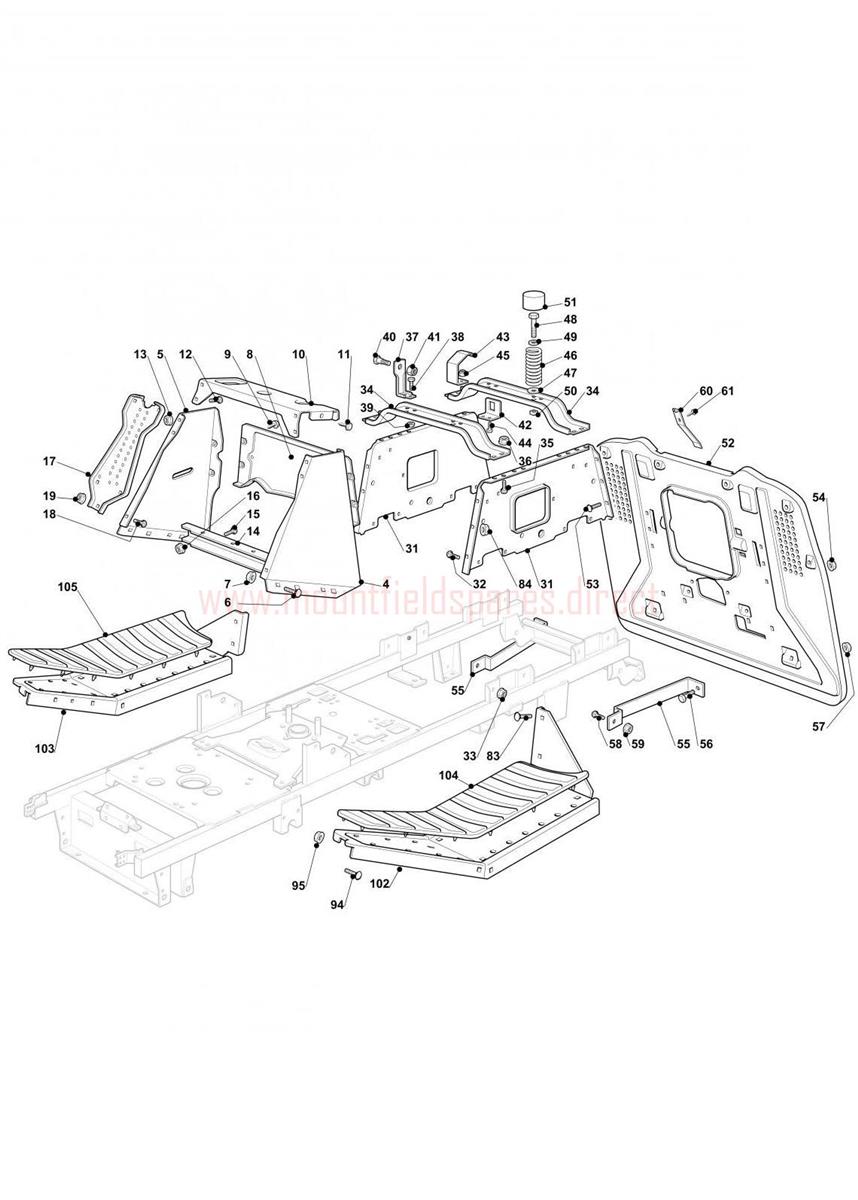
Chassis

Chassis assembly details for Mountfield 1436M_2T0320483M10 (20110218) 2011 model

Parts list

Match the number with the image on the left and click "Add" button to add the item to your basket

Please note, that the prices are for individual items

Items might appear more than once on the drawing, please check and adjust the quantity you require.

RefNoDescriptionPrice
004325785243/1LEFT DASHBOARD SUPPORT£30.24 Add to
005325785245/0RIGHT DASHBOARD SUPPORT£22.63 Add to
0069897-0820-16SCREW M8 x 20£2.32 Add to
007112293201/0HEXAGON NUT M8 WITH EXAGONAL FLANGE£2.06 Add to
008382785151/1PAINTED REAR BONNET SUPP.NJ92£16.91 Add to
009112735110/0FLANGED SELF-TAP SCREW 4.8 X 13£2.81 Add to
010325785255/0CENTRAL DASHBOARD SUPPORT£8.73 Add to
012112815200/0SCREW TTDQ M6X16£2.06 Add to
013112292102/0FLANGED HEXAGONAL NUT M6£2.06 Add to
014325785241/0BATTERY SUPPORT£7.51 Add to
017382785153/1FRONT DASHBOARD SUPPORT£15.81 Add to
031325785249/1SEAT SUPPORT£26.83 Add to
034325785257/1SEAT SUPPORT BRACKET£12.96 Add to
037325755039/0BRACKET£5.87 Add to
038112792611/0SCREW TE M8x16 UNI 5739 ACC.8.8£2.06 Add to
040122524970/2SEAT FULCRUM PIN FROM S/N 88152£2.18 Add to
041112155010/0SELF-LOCKING NUT M8 A-LOK ACC.6S£2.47 Add to
042325755043/0ANGLE BRACKET£2.74 Add to
043325430253/0SPRING£4.64 Add to
044112789000/0SCREW TE M5 x 12£2.06 Add to
045112154330/0LOW SELF-LOCKING NUT M5£2.06 Add to
046125430257/1SEAT SHOCK ABSORBER SPRING£10.77 Add to
047112523070/0WASHER M8 8.5 x 32 x 2.5£2.06 Add to
048112760515/0HEXAGONAL SCREW TC M8 x 20£0.79 Add to
049122671653/0WASHER 8.3 x 20 x 3£2.06 Add to
050112360425/0SQUARE NUT M8£2.18 Add to
051325122000/2PROTECTION CAP£2.06 Add to
052382547041/1REAR PLATE [BLACK]£103.85 Add to
055325650119/0REINFORCEMENT BRACKET£13.91 Add to
060127430600/0MICRO LIFT SEAT SPRING£2.74 Add to
102382510083/0LEFT COMPLETE FOOTB.NJ92£77.95 Add to
103382510081/0RIGHT COMPLETE FOOTB.NJ92£80.68 Add to
104325110327/0LEFT FOOTBOARD COVER£17.72 Add to
105325110326/0RIGHT FOOTBOARD COVER£16.91 Add to