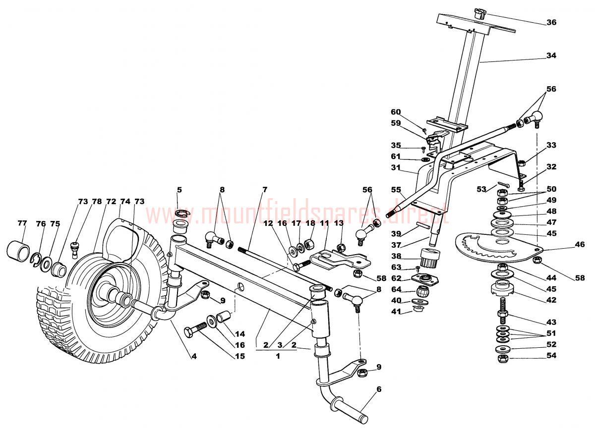
STEERING

STEERING assembly details for Mountfield 1236M-1436S-1436H-1636M-1636H 2006 model

Parts list

Match the number with the image on the left and click "Add" button to add the item to your basket

Please note, that the prices are for individual items

Items might appear more than once on the drawing, please check and adjust the quantity you require.

RefNoDescriptionPrice
001182034008/0FRONT AXLE ASSEMBLY£117.47 Add to
002125034002/1BUSH£3.96 Add to
003112379511/0STRAIGHT GREASE NIPPLE M6 x 1£2.06 Add to
0041136-0485-01Stub axle-RH (OBSOLETE)N/A
005112001000/0CIRCLIP ID=15 TH=1.5£1.83 Add to
006382230357/1LEFT STUB AXLE£38.44 Add to
0071136-0349-01Tie rod (OBSOLETE)N/A
008122746609/0ANGULAR JOINT M10£18.53 Add to
009112156602/0LOW SELF-LOCKING NUT M10£1.79 Add to
011325318142/0STEERING ARM£15.41 Add to
012112692390/0HEX-HEAD SCREW M10 x 55£0.79 Add to
014125160016/1EQUALIZER SPACER£5.46 Add to
015112692695/0HEX-HEAD SCREW M12 x 60£2.06 Add to
016112523100/0WASHER M12 14 x 36 x 3£2.06 Add to
017112587100/0WASHER M12£2.06 Add to
018112295300/0HEXAGON NUT M12£2.06 Add to
0311136-0335-01Support (OBSOLETE)N/A
032112792610/0HEX-HEAD SCREW M8 x 16£2.02 Add to
033112293201/0HEXAGON NUT M8 WITH EXAGONAL FLANGE£2.06 Add to
03482785135/0SUPPORT 2007£55.14 Add to
0359847-8216-16SCREW (OBSOLETE)N/A
036125034004/0STEERING COLUMN BUSH£6.09 Add to
0371136-1471-01Steering column (OBSOLETE)N/A
038125570000/2STEERING PINION£13.23 Add to
0399595-0262-00LOCATING PIN£2.06 Add to
040112521370/0WASHER M12 13 24 x 2.5£2.06 Add to
041112436030/0PIN PLATE£1.91 Add to
042125040617/0BUSH£10.66 Add to
0431136-0246-01Stud bolt (OBSOLETE)N/A
044112295200/0HEXAGON NUT M10£1.79 Add to
045325670012/0WASHER£2.87 Add to
046325735507/0STEERING QUADRANT£43.46 Add to
0471136-0311-01Washer (OBSOLETE)N/A
048122160400/0SPRING WASHER 50 x 2 x 10.2£2.18 Add to
049112521360/0WASHER M10 10.5 x 20 x 2£2.06 Add to
051322672150/0ANTI-FRICTION WASHER 10.2 X 30 X 0.8 C70£1.91 Add to
052112523080/0WASHER M10 11 x 30 x 2.5£2.06 Add to
053112141418/0SPLIT PIN 3 x 20£1.76 Add to
055125033025/0STEERING ROD£47.97 Add to
0591136-0279-01Micro protection (OBSOLETE)N/A
060112727810/0SELF-TAP SCREW 3.5 x 13£2.06 Add to
062325785213/1STEERING JOINT SUPPORT£2.32 Add to
063112729601/1SELF-TAP SCREW TE FL 5.5 x 16£2.06 Add to
064325743000/0JOINT£3.00 Add to
072182000590/1FRONT WHEEL RIM£69.78 Add to
073125122200/2WHEEL BEARING D=20£12.05 Add to
0741136-0269-01Tire (Turf Saver) (OBSOLETE)N/A
07425590002/0TYRE£115.62 Add to
0741136-2133-01TIRE (KENDA) 2006£83.07 Add to
075125670005/2SPINDLE WASHER£3.89 Add to
077122110230/0HUB COVER£2.06 Add to
078125950000/0PNEUMATIC VALVE£5.73 Add to