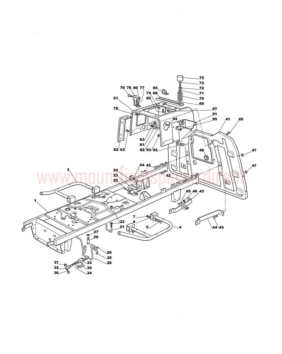
Chassis

Chassis assembly details for Mountfield 1236M-1436M-1436H (20100406) 2005 model

Parts list

Match the number with the image on the left and click "Add" button to add the item to your basket

Please note, that the prices are for individual items

Items might appear more than once on the drawing, please check and adjust the quantity you require.

RefNoDescriptionPrice
0011136-1499-01Frame (OBSOLETE)N/A
0031136-0548-01Footboard support-RH (OBSOLETE)N/A
0041136-0549-01Footboard support-LH (OBSOLETE)N/A
005112815245/0SCREW M6 x 45£2.06 Add to
006112523040/0WASHER M6 6.6 x 18 x 1.6£2.06 Add to
007112154510/0LOW SELF-LOCKING NUT M6 UNI7474 ACC.6S£2.06 Add to
021125580019/1BELT GUIDE£4.37 Add to
022112292102/0FLANGED HEXAGONAL NUT M6£2.06 Add to
02325547101/0LEFT PLATE 2007£8.70 Add to
024112793102/0SCREW TE M8x20 UNI 5739 ACC.8.8£2.06 Add to
025112293201/0HEXAGON NUT M8 WITH EXAGONAL FLANGE£2.06 Add to
0261136-0907-01Belt guide (OBSOLETE)N/A
027112360425/0SQUARE NUT M8£2.18 Add to
028325270320/0BELT GUIDE£37.49 Add to
0291136-1247-01Plate (OBSOLETE)N/A
0309847-8216-16SCREW (OBSOLETE)N/A
0321136-1281-01Tie rod (OBSOLETE)N/A
033118399000/0FORK M6 x 24£14.58 Add to
034112292100/0HEXAGON NUT M6£1.47 Add to
035118210200/0CLIPS M6 x 24£6.95 Add to
037112293201/0HEXAGON NUT M8 WITH EXAGONAL FLANGE£2.06 Add to
0411136-0515-01Plate-rear (OBSOLETE)N/A
042112792610/0HEX-HEAD SCREW M8 x 16£2.02 Add to
04382650201/0RIGHT STIFFENING 2004£11.46 Add to
0441136-0300-01Reinforcement plate-L (OBSOLETE)N/A
046112540260/0INNER TOOTHED WASHER M8£2.06 Add to
0481136-0082-01Cap (OBSOLETE)N/A
0611136-0337-01Seat support (OBSOLETE)N/A
06225650055/0FRONT SEAT STIFFENING 2007£8.70 Add to
0639997-0614-16SCREW M6S [M6X35]£5.21 Add to
06825650056/0REAR SEAT STIFFENING 2007£8.70 Add to
069112523060/0WASHER M8 8.4 X 24 X 2£2.06 Add to
070125430205/1SEAT SHOCK ABSORBER SPRING£6.01 Add to
071112521350/0WASHER M8 8.4 x 16 x 1.6£2.06 Add to
073125943001/1SCREW£2.06 Add to
0741136-0003-01Square nut (OBSOLETE)N/A
075325122000/2PROTECTION CAP£2.06 Add to
0761136-0321-01Bracket (OBSOLETE)N/A
079122524970/2SEAT FULCRUM PIN FROM S/N 88152£2.18 Add to
080112155010/0SELF-LOCKING NUT M8 A-LOK ACC.6S£2.47 Add to
081382500011/2BRAKE PEDAL£70.68 Add to
082112789000/0SCREW TE M5 x 12£2.06 Add to
083112154330/0LOW SELF-LOCKING NUT M5£2.06 Add to
084325755025/2SEAT SWITCH SUPPORT£6.27 Add to
085112731580/0SELF-TAP SCREW TE 4.8 x 9.5 C15 BZ£2.06 Add to
09125785057/0BRACKET 2007£18.81 Add to