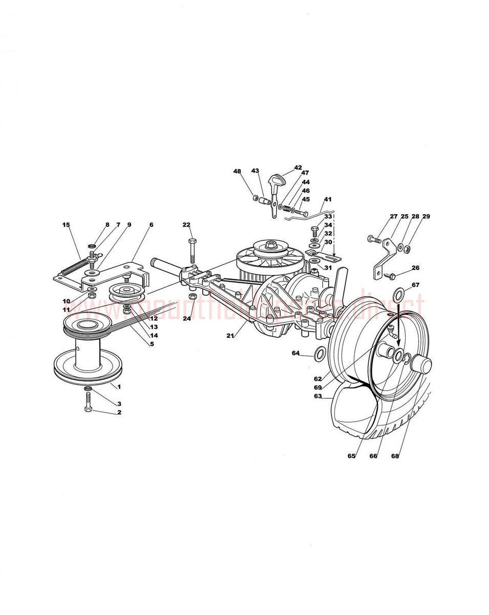
Transmission (2)

Transmission (2) assembly details for Mountfield 1228M - 1228H (20100406) 2005 model

Parts list

Match the number with the image on the left and click "Add" button to add the item to your basket

Please note, that the prices are for individual items

Items might appear more than once on the drawing, please check and adjust the quantity you require.

RefNoDescriptionPrice
001127604003/1ENGINE PULLEY£83.40 Add to
002112737310/0HEX-HEAD SCREW 7/16" x 2" 20 UNF£1.90 Add to
003120001173/0SPRING£4.01 Add to
005135061403/0TRANSMISSION BELT X13 LP 805£26.18 Add to
006384317067/1TENSION PULLEY LEVER£17.89 Add to
007127510096/0FULCRUM PIN£5.19 Add to
008112540260/0INNER TOOTHED WASHER M8£2.06 Add to
009322672151/0ANTI-FRICTION WASHER 12.2 x 30 x 0.8£1.91 Add to
010325670011/0ANTI-FRICTION WASHER 8.2 x 19 x 0.8£2.06 Add to
011112155010/0SELF-LOCKING NUT M8 A-LOK ACC.6S£2.47 Add to
012125601554/0PULLEY£26.18 Add to
013112523060/0WASHER M8 8.4 X 24 X 2£2.06 Add to
014112293201/0HEXAGON NUT M8 WITH EXAGONAL FLANGE£2.06 Add to
0151136-0860-01Spring (OBSOLETE)N/A
0211136-1222-01Transmission (OBSOLETE)N/A
022112793900/0HEX-HEAD SCREW M8 x 60£2.06 Add to
024112293201/0HEXAGON NUT M8 WITH EXAGONAL FLANGE£2.06 Add to
0251136-1003-01Clamp (OBSOLETE)N/A
0261136-0017-01Screw (OBSOLETE)N/A
027112793301/0HEX-HEAD SCREW M8 x 25£2.06 Add to
028112521350/0WASHER M8 8.4 x 16 x 1.6£2.06 Add to
0301136-1260-01Lever (OBSOLETE)N/A
031112521370/0WASHER M12 13 24 x 2.5£2.06 Add to
032112523050/0WASHER M6 6.6 x 24 x 2£2.06 Add to
033112735520/0"HEX-HEAD SCREW 1/4"" x 5/8"""£2.06 Add to
0349683-0025-02WASHER£2.06 Add to
0411136-1481-01Rod (OBSOLETE)N/A
0421136-1502-01Lever (OBSOLETE)N/A
0431136-1486-01Pin (OBSOLETE)N/A
0441136-0200-01Spring (OBSOLETE)N/A
045112689515/0HEX-HEAD SCREW M6 x 45£2.06 Add to
046112521360/0WASHER M10 10.5 x 20 x 2£2.06 Add to
048112292100/0HEXAGON NUT M6£1.47 Add to
062184044001/0REAR WHEEL RIM£75.25 Add to
063125590020/0TYRE 15 X 6.00-6 WANDA£65.62 Add to
0631136-0412-01Tire (Deli) (OBSOLETE)N/A
064112521410/0WASHER M20 21 x 37 x 3£1.91 Add to
065125670005/2SPINDLE WASHER£3.89 Add to
066112001000/0CIRCLIP ID=15 TH=1.5£1.83 Add to
067112520010/0WASHER£2.18 Add to
068122110230/0HUB COVER£2.06 Add to
0691136-0359-01Valve (OBSOLETE)N/A