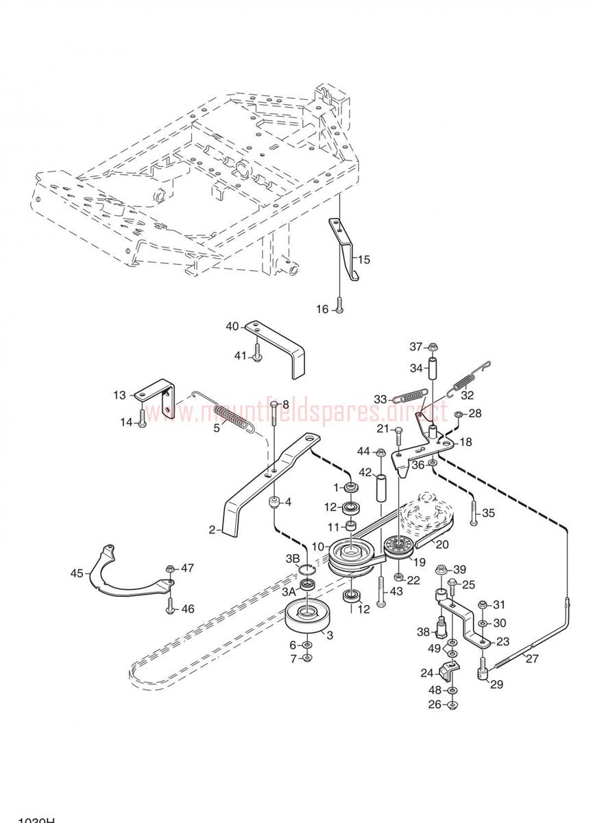
POWER TAKE-OFF 2WD

POWER TAKE-OFF 2WD assembly details for Mountfield MSPL2011_20110321_4155H 2011 model

Parts list

Match the number with the image on the left and click "Add" button to add the item to your basket

Please note, that the prices are for individual items

Items might appear more than once on the drawing, please check and adjust the quantity you require.

RefNoDescriptionPrice
0011134-5548-01SPACER£14.32 Add to
0021137-1124-01TENSION WHEEL ARM£83.40 Add to
0031137-0128-01TENSION PULLEY£48.34 Add to
0041134-1888-04SPACER£9.41 Add to
0051134-5111-01SPRING£18.53 Add to
006112523060/0WASHER M8 8.4 X 24 X 2£2.06 Add to
007112293201/0HEXAGON NUT M8 WITH EXAGONAL FLANGE£2.06 Add to
008112691700/0SCREW M8 x 55£1.91 Add to
010387605002/0DOUBLE CENTRE PULLEY ASSEMBLY£84.77 Add to
0111134-0051-09SPACER£14.05 Add to
0131134-5112-01SPRING ATTACHMENT BRACKET£27.27 Add to
0141134-4242-01SPACER WASHER£4.78 Add to
0151134-5110-01HOOK PLATE£44.33 Add to
0169893-0616-16SCREW M6 x 16£2.47 Add to
0181134-2018-02TENSION ARM£39.29 Add to
019387605008/0TENSION PULLEY [GREY]£35.71 Add to
0201134-9173-01PTO DRIVE BELT [KEVLAR]£31.63 Add to
0219997-1030-16SCREW M6S M10 x 30£3.00 Add to
022112295200/0HEXAGON NUT M10£1.79 Add to
0231134-4111-01BRAKE ARM£31.63 Add to
0241134-4164-03BRAKE PAD£32.99 Add to
0259897-0825-16SCREW M8 x 25£3.15 Add to
026112293201/0HEXAGON NUT M8 WITH EXAGONAL FLANGE£2.06 Add to
0271134-4162-01BRAKE ROD£14.05 Add to
0289675-0008-02STARLOCK WASHER D=5£4.01 Add to
0291134-4170-01PIVOT BOLT£14.32 Add to
030112521330/0WASHER M6 6.4 X 12 X 1.6£2.06 Add to
031112154510/0LOW SELF-LOCKING NUT M6 UNI7474 ACC.6S£2.06 Add to
0324231-0013-00SPRING£8.87 Add to
0331135-3307-01BRAKE SPRING£23.72 Add to
0341134-1565-10SPACER£8.73 Add to
035112793900/0HEX-HEAD SCREW M8 x 60£2.06 Add to
0381134-4163-01SHOULDER BOLT£15.21 Add to
0399731-1031-22LOCK NUT M6MF M10£2.47 Add to
03A120001215/0BEARING 6203 2RS C3£32.57 Add to
03B9651-0040-04CIRCLIP£2.74 Add to
0401134-3958-01BELT GUIDE£17.45 Add to
0421134-0041-03BUSH£11.59 Add to
0439997-1070-12SCREW M6S (M10 X 70)£3.81 Add to
0449739-1031-22NUT M10£2.32 Add to
0451134-3654-01GUARD£35.71 Add to
0469959-0612-16SCREW M6SF M6 x 12 TL£1.79 Add to
047112292102/0FLANGED HEXAGONAL NUT M6£2.06 Add to
048112521350/0WASHER M8 8.4 x 16 x 1.6£2.06 Add to
049112521360/0WASHER M10 10.5 x 20 x 2£2.06 Add to