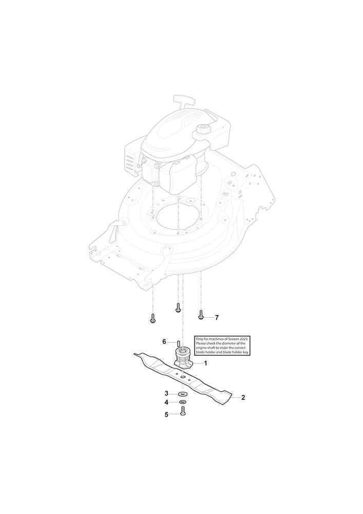
BLADE assembly details for Mountfield SP535 HW (294556038/M19) 2021 model
Parts list
Match the number with the image on the left and click "Add" button to add the item to your basket
Please note, that the prices are for individual items
Items might appear more than once on the drawing, please check and adjust the quantity you require.
Easily navigated website, comprehensive stock, replaced near-disappeared (rusted away) grass deflector on my Masport Olympic 500 without hassle. Good prices, rapid delivery and great comms. Recommended. Definitely.
Graham Fairley
17/01/2026
Part works just as described. Thank you
Charlie Couse
17/01/2026
Delivered when said and a very good hand over with all the relevant info
Would definitely recommend
Ray Adams
16/01/2026
Good service - goods accurately supplied in a timely fashion as expected (repeat customer)
Jon Thedham
15/01/2026
All our prices include VAT