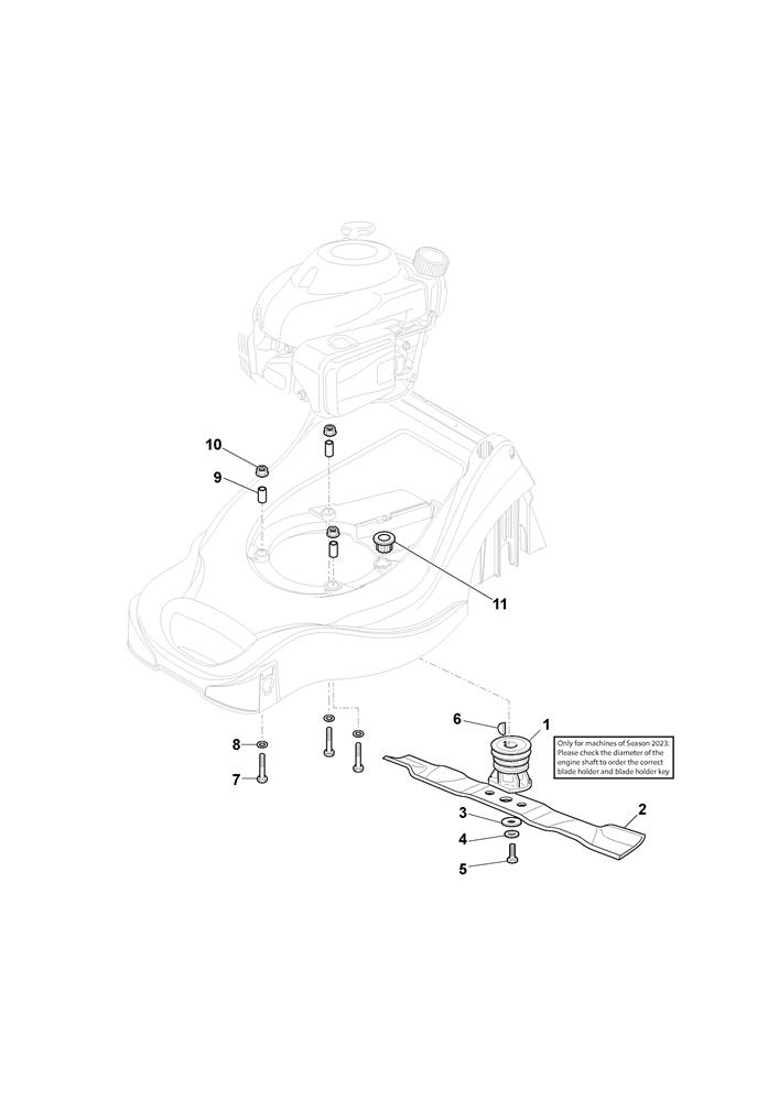
BLADE assembly details for Mountfield SP41 (297412043/M21) 2021 model
Parts list
Match the number with the image on the left and click "Add" button to add the item to your basket
Please note, that the prices are for individual items
Items might appear more than once on the drawing, please check and adjust the quantity you require.
First time user, am happy with the price and the quick delivery.
I will use them again as I look after 4 church mowers and my own machine.
Philip Whittingham
Philip Whittingham
21/04/2026
Excellent service and an excellent price
Ian Harrison
21/04/2026
Easy to order the correct part & delivered on time.
Nicholas Gipson
21/04/2026
I would like to thank World of Mowers for their help when I placed my order for a new Stiga lawn mower. I received a phone call informing me about my delivery schedule which was delivered on time and overall I would certainly recommend this company to anyone who requires a new lawn mower or simply just spare parts. Many thanks also to Simon who delivered it on the day as planned.
Mark Barry
19/04/2026
All our prices include VAT