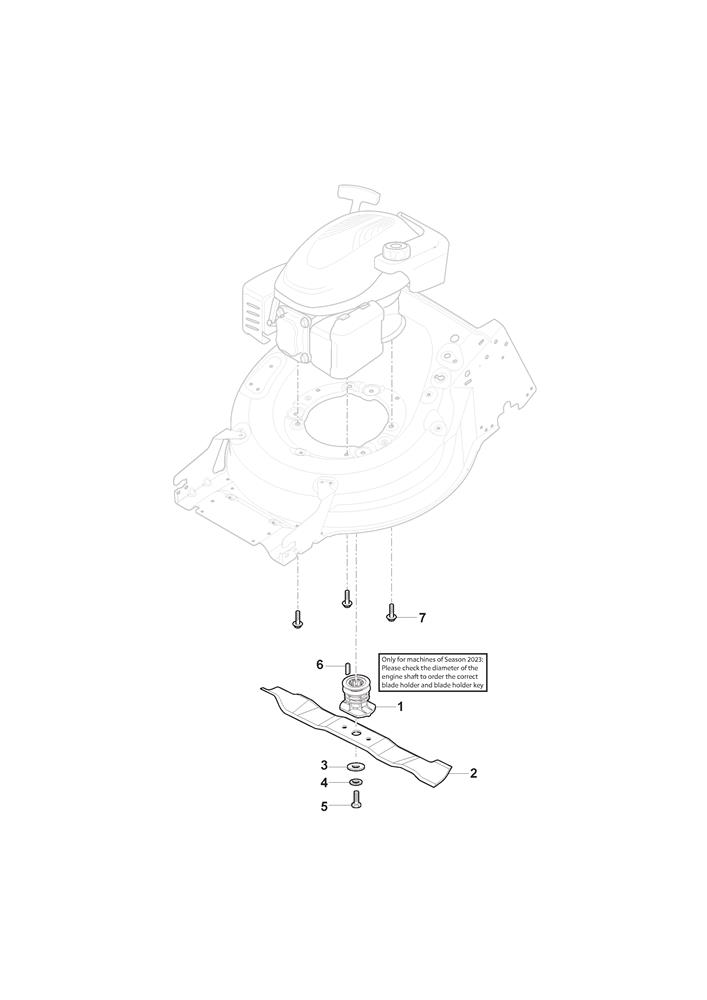
BLADE assembly details for Mountfield S481 PD (294502843/M19) 2021 model
Parts list
Match the number with the image on the left and click "Add" button to add the item to your basket
Please note, that the prices are for individual items
Items might appear more than once on the drawing, please check and adjust the quantity you require.
Reasonable price, quick delivery and well packaged.
Stephen Curtis
14/03/2026
I have used World of Mowers for spare parts for my Mountfield petrol mower for a number of years and wouldn’t use any other supplier. Their website is easy to navigate and identify parts and parts numbers. Very reasonable price compared with other companies and delivery times are always exceptionally quick. Would thoroughly recommend.
Philip Holtam
14/03/2026
Great service & fast delivery couldn’t ask for more. Thank you !
Cheyenne Carr
13/03/2026
Great service got what I ordered and wanted and easy to use web site
Peter Gabriele
13/03/2026
All our prices include VAT