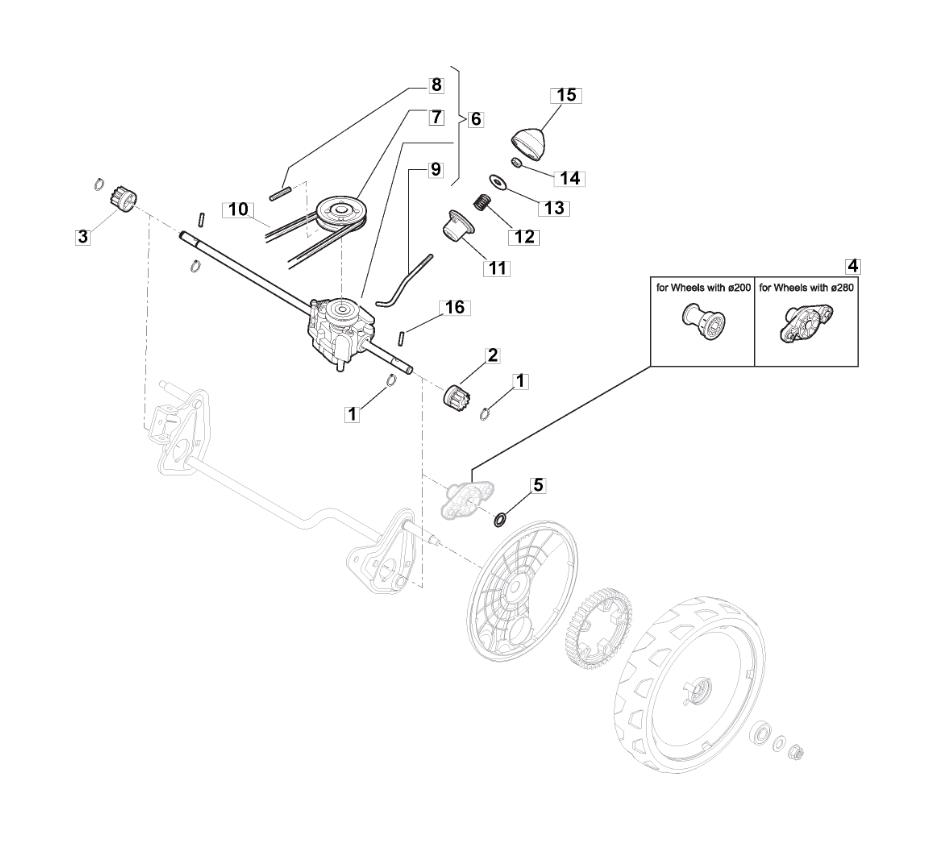
Transmission assembly details for Mountfield 484 WS-B (295496028/AMZ) 2018 model
Parts list
Match the number with the image on the left and click "Add" button to add the item to your basket
Please note, that the prices are for individual items
Items might appear more than once on the drawing, please check and adjust the quantity you require.
Very helpful over the phone in finding the correct part number. Then ordered and delivered very quickly. Well done.
Ray Setterfield
08/05/2026
I recently bought a spare part for my lawnmower, the ease of using the World of Mowers website was so easy where the key parts are all broken down and labelled ensuring that you can order only the part you need making it a cost effective shopping experience. The delivery time was also very good as I had the part within the week and able to fit and get my mower back working. Thank you, great service.
Alan Ewen
08/05/2026
Great service
David Ingham
08/05/2026
I was given a part number via FB group for my 20 yr old stiga. It was thought this part was obsolete but once I gave the full details of the mower it was quickly found. Excellent service & will use this company again
Tom Morris
08/05/2026
All our prices include VAT