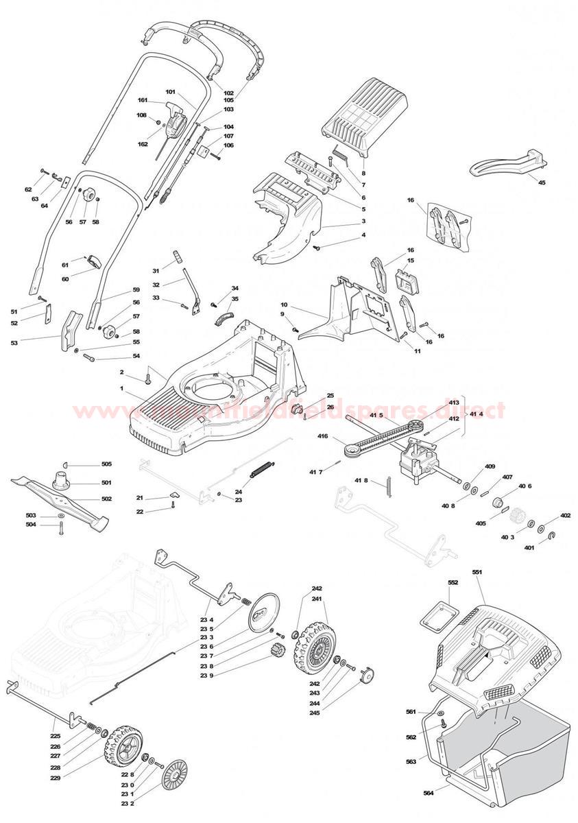
M 5020 PD

M 5020 PD assembly details for Mountfield M5020PD (20100705) 2008 model

Parts list

Match the number with the image on the left and click "Add" button to add the item to your basket

Please note, that the prices are for individual items

Items might appear more than once on the drawing, please check and adjust the quantity you require.

RefNoDescriptionPrice
001381002669/0DECK ASS.Y TURBO 50 RED£454.19 Add to
002112735108/1TELF-FORM SCREW 3/8" X 1¼" UNC£2.57 Add to
003322060153/1DECK COVER TU50 [RED] (OBSOLETE) (OBSOLETE)N/A
004112728300/0SELF-TAPPING SCREW K50 x 22£2.06 Add to
005322785179/0DEFLECTOR CLAMP [BLACK]£5.73 Add to
006112735664/0SCREW M6 x 16£2.02 Add to
007122450443/0DEFLECTOR SPRING (OBSOLETE) (OBSOLETE)N/A
008322600068/2DEFLECTOR [BLACK]£10.91 Add to
009112728300/0SELF-TAPPING SCREW K50 x 22£2.06 Add to
010322108277/0PLASTIC REAR BAFFLE£46.14 Add to
011112735664/0SCREW M6 x 16£2.02 Add to
015322109531/0BATTERY COVER£2.87 Add to
016381008658/1ACCESSORY BAG-GRASSCATCHER£17.86 Add to
021322545160/0FRONT AXLE PLATE (OBSOLETE) (OBSOLETE)N/A
022112735664/0SCREW M6 x 16£2.02 Add to
023112604898/0STARLOCK WASHER D=7£2.02 Add to
024122446181/0SPRING£7.10 Add to
025322785153/0GEARBOX SUPPORT BRACKET£16.10 Add to
026112735664/0SCREW M6 x 16£2.02 Add to
031322399808/0HEIGHT ADJUST KNOB£2.87 Add to
0321111-2816-01HEIGHT ADJUST LEVER (OBSOLETE)N/A
033112735661/0SCREW TCB TORX M6 x 10£2.06 Add to
034112728300/0SELF-TAPPING SCREW K50 x 22£2.06 Add to
035322735563/0HEIGHT ADJUST QUADRANT£15.41 Add to
045322140231/0MULCHING PLUG [TURBO 50] (OBSOLETE) (OBSOLETE)N/A
051112820655/0SCREW TTDQ 1/4" x 2 1/4"£1.79 Add to
052322551635/0ATTACHMENT PLATE£4.23 Add to
053322778405/0LOWER HANDLE SUPPORT CLAMP£24.95 Add to
054112760515/0HEXAGONAL SCREW TC M8 x 20£0.79 Add to
055112521350/0WASHER M8 8.4 x 16 x 1.6£2.06 Add to
056112521350/0WASHER M8 8.4 x 16 x 1.6£2.06 Add to
056181002244/0FABRIC BOX EP/TU45 "STIGA"£87.07 Add to
057322399810/0HANDWHEEL w/o NUT [BLACK]£8.73 Add to
058112361005/0HEXAGON NUT 1/4" UNC£2.71 Add to
059381006613/0LOWER PRO HANDLE TURBO 50-55 BLACK£49.20 Add to
060322192001/0CABLE CLAMP£2.06 Add to
061112728706/0SELF-TAPPING SCREW K40 x 16£2.06 Add to
062112820655/0SCREW TTDQ 1/4" x 2 1/4"£1.79 Add to
063122430311/0PULL CORD GUIDE£6.87 Add to
064322545137/0HANDLE CLAMP PLATE£2.06 Add to
102381003298/1BRAKE CONTROL LEVER£32.97 Add to
103181000688/0ENGINE BRAKE CABLE L=1050£13.91 Add to
104381000697/0CLUTCH DRIVE CABLE£18.12 Add to
105381003297/1DRIVE CONTROL LEVER£22.49 Add to
106112727787/0CROSS-HEAD SCREW M6 x 70£1.91 Add to
107322551685/0CABLE HOLDER BLOCK£7.52 Add to
108112154510/0LOW SELF-LOCKING NUT M6 UNI7474 ACC.6S£2.06 Add to
161181007128/0THROTTLE CABLE L=1270£24.95 Add to
162112523040/0WASHER M6 6.6 x 18 x 1.6£2.06 Add to
225381002845/0FRONT WHEELS AXLE (OBSOLETE) (OBSOLETE)N/A
226122430210/0SPRING£2.06 Add to
227112521370/0WASHER M12 13 24 x 2.5£2.06 Add to
228122122206/0BEARING£2.32 Add to
229381007351/0WHEEL D=170£13.66 Add to
230112521460/0WASHER M6 6.5 x 22 x 1.5£0.79 Add to
231112735662/1SCREW TCB TORX M6 x 12£2.87 Add to
232322110491/0HUB CAP D=170 [GREY]£2.47 Add to
233122033322/0WHEEL CONTRO ROD TU50 [L=592,5]£11.10 Add to
234381002823/0REAR WHEELS AXLE (OBSOLETE)N/A
235122430215/0SPRING£3.69 Add to
236322600121/0WHEEL COVER PLATE D=190 (OBSOLETE) (OBSOLETE)N/A
237112521460/0WASHER M6 6.5 x 22 x 1.5£0.79 Add to
238112735662/1SCREW TCB TORX M6 x 12£2.87 Add to
239122570125/0RIGHT/LEFT PINION GEAR£15.00 Add to
241381007361/0WHEEL D=190£21.95 Add to
242122122201/0BEARING-PLASTIC CASE£2.74 Add to
243112521460/0WASHER M6 6.5 x 22 x 1.5£0.79 Add to
244112735662/1SCREW TCB TORX M6 x 12£2.87 Add to
245322110384/0HUB CAP 190/215 [GREY]£7.63 Add to
451112000957/0CIRCLIP D=10£2.59 Add to
452112520032/0WASHER 12 x 18 x 1£2.06 Add to
453322160520/0DUST COVER£2.06 Add to
455122076645/0DRIVE KEY 4 x 8 x 15£2.06 Add to
456322170630/1GEARBOX PINION SPACER£5.32 Add to
457122753002/0CYLINDRICAL PIN 5 x 25£2.06 Add to
458112520032/0WASHER 12 x 18 x 1£2.06 Add to
459119035152/0SEAL RING 12 x 18 x 4£5.19 Add to
462112728300/0SELF-TAPPING SCREW K50 x 22£2.06 Add to
463112735664/0SCREW M6 x 16£2.02 Add to
464322778409/0GEARBOX SUPPORT BRACKET£15.81 Add to
465181003086/0GEARBOX 4 SPEED [BLACK]£230.29 Add to
466122601916/0VARIATOR PULLEY (OBSOLETE)N/A
467112645700/0PIN£2.06 Add to
468112674550/0SCREW TE M6 x 30£2.06 Add to
469322320001/0TENSION ARM (OBSOLETE) (OBSOLETE)N/A
470122601914/0BELT GUIDE PULLEY£21.95 Add to
471112154510/0LOW SELF-LOCKING NUT M6 UNI7474 ACC.6S£2.06 Add to
472112735669/0SCREW TCB TORX M6 x 50£2.06 Add to
473122671656/0WASHER£6.42 Add to
474122601915/0TENSION PULLEY£21.82 Add to
475112523040/0WASHER M6 6.6 x 18 x 1.6£2.06 Add to
476135064378/0TRAPEZOIDAL BELT XPZ LP=780£14.45 Add to
477122601917/0DRIVE ENGINE PULLEY D=22mm£24.50 Add to
478112714312/0DOWEL PIN M6 x 12£2.06 Add to
479322806619/0WZ SPEED CABLE FIX.SUPPORT TURBO 4S£5.05 Add to
480112735664/0SCREW M6 x 16£2.02 Add to
481381007097/04 SPEED CABLE ASSEMBLY£42.53 Add to
482322399809/04 SPEED CABLE KNOB£2.06 Add to
483112728300/0SELF-TAPPING SCREW K50 x 22£2.06 Add to
484112728702/0SELF-TAP SCREW WN1451 K50 x 40£2.06 Add to
501122465618/0BLADE BOSS D=22.2£8.40 Add to
502181004143/0BLADE TURBO 48£24.81 Add to
503112530140/0WASHER M10£2.32 Add to
504112735698/0HEX-HEAD SCREW 3/8" x 2"£2.02 Add to
505112139100/0WOODRUFF KEY 4 x 6.5 D=16 UNI6606 C40£2.75 Add to
551322486095/0GRASSCATCHER TOP [BLACK]£47.71 Add to
552322486098/0GRASSTOP INSERT£6.01 Add to
561112521460/0WASHER M6 6.5 x 22 x 1.5£0.79 Add to
562112728300/0SELF-TAPPING SCREW K50 x 22£2.06 Add to
563122608528/0GRASSCATCHER FRAME (OBSOLETE) (OBSOLETE)N/A
564181002235/0GRASSBAG [BLACK]£60.15 Add to