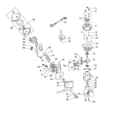
Assembly List For Mountfield 2018 Model MHJ 2424 (252900023/M14)
All good except it might be an idea to inform the customer sooner of the approximate delivery date. I was getting concerned with a lack of communication, but all turned out well in the end.
RC Ferguson
04/10/2025
All components well listed found part quickly and was delivered next day
peter clarke
04/10/2025
Fast service
Mike Lloyd
03/10/2025
Web site is well very laid out.Easy to find required parts with the detailed assembly graphics. Shipping was very fast. The go to site for Stiga parts. Thanks!
Michael Carver
03/10/2025
All our prices include VAT