Engine

Engine assembly details for Mountfield H 60 (252961000/14) 2018 model

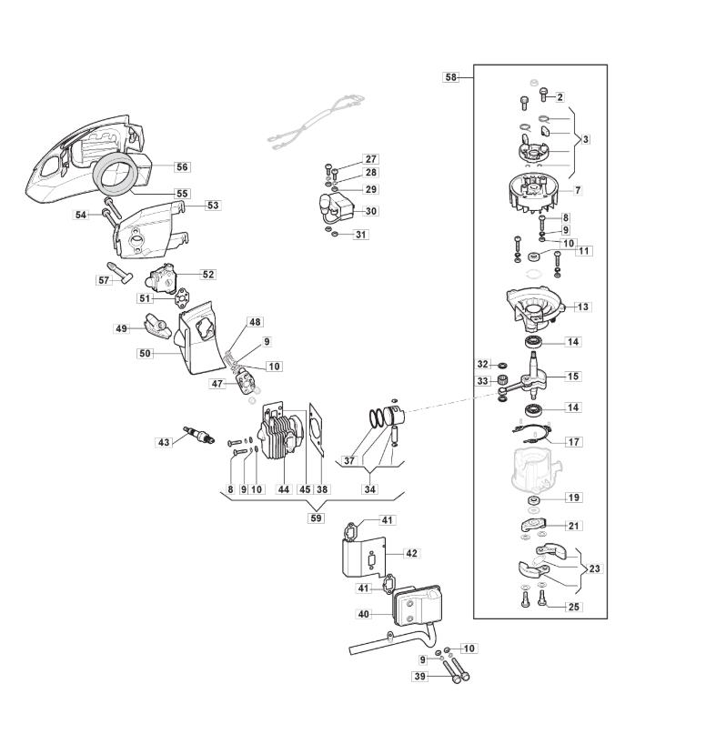
Parts list

Match the number with the image on the left and click "Add" button to add the item to your basket

Please note, that the prices are for individual items

Items might appear more than once on the drawing, please check and adjust the quantity you require.

RefNoDescriptionPrice
002123878109/0SCREW£2.00 Add to
003183082003/0STARTER CUP ASSEMBLY£5.19 Add to
007118802744/0FLYWHEEL£34.35 Add to
008123878081/0SCREW£1.79 Add to
009123657017/0WASHER£2.18 Add to
010123657013/0WASHER£1.79 Add to
011119035164/0OIL SEAL£2.86 Add to
013123685020/0CRANKCASE£20.04 Add to
014114215222/0BEARING£8.84 Add to
015123020033/1CRANKSHAFT£42.44 Add to
017123280077/0CRANKCASE GASKET£2.32 Add to
019119035165/0OIL SEAL£2.86 Add to
021123445268/0CLUTCH HUB£6.14 Add to
023183215010/0CLUTCH ASSEMBLY£8.60 Add to
025123878111/0CLUTCH SCREW£2.32 Add to
026123065045/0SPARK PLUG CABLE£1.58 Add to
027123878081/0SCREW£1.79 Add to
028123657013/0WASHER£1.79 Add to
029123657017/0WASHER£2.18 Add to
030118802743/0IGNITION COIL£60.24 Add to
031123160063/0SPACER£1.79 Add to
032123652505/0WASHER£2.87 Add to
033123235008/0NEEDLE BEARING£4.64 Add to
034183590007/0PISTON ASSEMBLY£15.59 Add to
037123204016/0PISTON RING£2.74 Add to
038123280078/0CYLINDER GASKET£2.06 Add to
039123878081/0SCREW£1.79 Add to
040118802742/0MUFFLER£56.15 Add to
042123600078/0HEAT GUARD£3.15 Add to
043BPMR6ASPARK PLUG£5.99 Add to
044123071023/0CYLINDER£46.61 Add to
045123280080/0INTAKE MANIFOLD GASKET£1.79 Add to
047118801419/0INTAKE MANIFOLD£2.32 Add to
048112789195/0SCREW M5 x 20£2.06 Add to
049118801420/0SPARK PLUG COVER£3.69 Add to
050123600080/0CYLINDER COVER£3.15 Add to
051118801421/0CARBURETTOR GASKET£1.79 Add to
052118801422/0CARBURETTOR£47.39 Add to
053118801423/0AIR FILTER BASE£9.96 Add to
054123878114/0CARBURETTOR SCREW£1.79 Add to
055118801424/0AIR FILTER£2.00 Add to
056118801426/0AIR FILTER COVER [WHITE]£13.95 Add to
057118802164/0CHOKE LEVER [BLACK]£3.15 Add to
058118804984/0ENGINE SHORT BLOCK£150.80 Add to
059118804985/0CYLINDER/PISTON ASSEMBLY£61.60 Add to