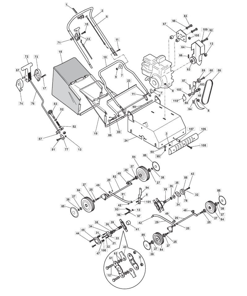
Scarifier

Scarifier assembly details for Mountfield MVP 40 G (211400143/M17) 2018 model

Parts list

Match the number with the image on the left and click "Add" button to add the item to your basket

Please note, that the prices are for individual items

Items might appear more than once on the drawing, please check and adjust the quantity you require.

RefNoDescriptionPrice
003112154330/0LOW SELF-LOCKING NUT M5£2.06 Add to
007112293200/0HEXAGON NUT M8 UNI 5588 ACC.6S£1.86 Add to
008112154210/0SELF-LOCK WINGED NUT M8 DIN 6927£2.06 Add to
009122399900/03 SPOKE HANDWHEEL [BLACK]£2.06 Add to
010118801536/0LOWER HANDLE£28.90 Add to
011112819110/0CARRIAGE BOLT M8 x 50£2.02 Add to
012112793301/0HEX-HEAD SCREW M8 x 25£2.06 Add to
013112154510/0LOW SELF-LOCKING NUT M6 UNI7474 ACC.6S£2.06 Add to
014118801537/1THROTTLE CONTROL ASSY£31.58 Add to
015112689500/0SCREW M6 x 40£2.06 Add to
018PL72494GRASSBAG£71.14 Add to
020112604898/0STARLOCK WASHER D=7£2.02 Add to
021112793102/0SCREW TE M8x20 UNI 5739 ACC.8.8£2.06 Add to
025112530150/0SPRING WASHER M12£1.79 Add to
027122122206/0BEARING£2.32 Add to
031112794110/1SCREW TE M10 x 1.5 L=20£2.18 Add to
032112540070/0EXTERNAL TOOTHED WASHER M10£2.06 Add to
033112521360/0WASHER M10 10.5 x 20 x 2£2.06 Add to
036118800369/0BEARING£26.07 Add to
038112154210/0SELF-LOCK WINGED NUT M8 DIN 6927£2.06 Add to
040118810244/0SCARIFIER BLADE£9.41 Add to
042112604898/0STARLOCK WASHER D=7£2.02 Add to
0439997-1040-16SCREW M6S 10 x 40£7.23 Add to
044112789000/0SCREW TE M5 x 12£2.06 Add to
045112156602/0LOW SELF-LOCKING NUT M10£1.79 Add to
047112523020/0WASHER M5 5.5 x 15 x 1.6£2.06 Add to
050112523060/0WASHER M8 8.4 X 24 X 2£2.06 Add to
052112521360/0WASHER M10 10.5 x 20 x 2£2.06 Add to
058118801555/0ARM£13.80 Add to
060112794110/1SCREW TE M10 x 1.5 L=20£2.18 Add to
061PL73854BRIDE DE COUTEAU PLATE-ZINGUEE£4.66 Add to
062118810237/0BUSH£2.06 Add to
063118801557/0PULLEY£29.37 Add to
064PL72772COVER£18.67 Add to
067118801559/0SUPPORT£29.93 Add to
071112154330/0LOW SELF-LOCKING NUT M5£2.06 Add to
072PL75108CLUTCH LEVER£7.10 Add to
073PL75109HANDLE SUPPORT£3.55 Add to
074PL75109HANDLE SUPPORT£3.55 Add to
077PL72491SUPPORT£2.74 Add to
078112714300/0DOWEL PIN M6 x 12£2.06 Add to
081112727783/0CROSS-HEAD SCREW M6 x 40£2.06 Add to
083112735802/0THREADED SCREW 5/16" x 1" 24UNF£3.00 Add to
084118810247/2WHEEL ASSEMBLY£29.32 Add to
085PL43115HUB CAP£3.32 Add to
088112604898/0STARLOCK WASHER D=7£2.02 Add to
095112691115/0HEX-HEAD SCREW M8 x 40£2.06 Add to
095112793600/0HEX-HEAD SCREW M8 x 35£2.06 Add to
096112791213/1SCREW M6 X 18£1.74 Add to
097112523040/0WASHER M6 6.6 x 18 x 1.6£2.06 Add to
098112540060/0SERRATED LOCK WASHER M8£2.06 Add to
100112154320/0SELF-LOCKING NUT M5£2.06 Add to
106PL73337FRONT BUMPER£9.82 Add to
107118801606/0SPACER£2.59 Add to