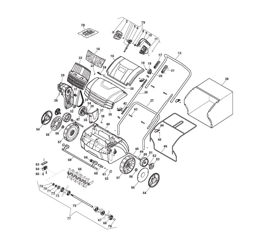
Scarifier

Scarifier assembly details for Mountfield MTF 1.3 (290002133/M17) 2018 model

Parts list

Match the number with the image on the left and click "Add" button to add the item to your basket

Please note, that the prices are for individual items

Items might appear more than once on the drawing, please check and adjust the quantity you require.

RefNoDescriptionPrice
002118804674/0DEAD HAND SWITCH [YELLOW]£37.49 Add to
005118804674/0DEAD HAND SWITCH [YELLOW]£37.49 Add to
006118810065/0CAPACITANCE£3.15 Add to
008118804674/0DEAD HAND SWITCH [YELLOW]£37.49 Add to
009118804674/0DEAD HAND SWITCH [YELLOW]£37.49 Add to
010118804674/0DEAD HAND SWITCH [YELLOW]£37.49 Add to
011118804674/0DEAD HAND SWITCH [YELLOW]£37.49 Add to
013118802711/0UPPER HANDLE£38.44 Add to
016118804670/0SAFETY COVER [RED]£21.67 Add to
017118810087/0UPPER FIXATION£2.47 Add to
0189943-0516-16SCREW£2.40 Add to
019118810083/0HOOK£3.69 Add to
020112154330/0LOW SELF-LOCKING NUT M5£2.06 Add to
021118810086/0DOWN FIXATION£2.54 Add to
022118802938/0COVER - GREY£11.59 Add to
026118802710/0MIDDLE HANDLE£21.40 Add to
027118802911/0HANDLE MIDDLE PART - BLACK£41.16 Add to
028118802901/0GRASSBAG [BLACK]£88.45 Add to
029118802682/0ELECTRIC MOTOR 1300W/50HZ£117.47 Add to
030118810099/0NONSTANARD BOLT£2.47 Add to
031118802712/0MOTOR PULLEY£10.36 Add to
032118802907/0BEARING£13.49 Add to
033118802681/0BELT£17.31 Add to
034118802670/0PULLEY£9.10 Add to
0353112230BALL BEARING 608£5.32 Add to
0363353020RING D. 8 UNI 7435£1.79 Add to
037118802671/0GEAR COVER£9.14 Add to
038118801615/0WIRE CONNECTOR£1.79 Add to
039118804671/0COVER [RED]£34.35 Add to
0422312150WASHER 5.5 x 15 x 1.5£1.79 Add to
043112689500/0SCREW M6 x 40£2.06 Add to
044118802953/0KNOB - YELLOW£5.32 Add to
045112292100/0HEXAGON NUT M6£1.47 Add to
046118802704/0GRASSBAG FRAME£30.26 Add to
047118806492/0COMPLETE PULLEY ASSEMBLY£25.97 Add to
048118802695/0REAR WHEEL AXLE£4.23 Add to
049118802713/0SLEEVE£5.73 Add to
050122671651/0WASHER 8.3 x 22 x 2£2.32 Add to
051118802668/0BACK WHEEL£6.01 Add to
052112604899/0STARLOCK WASHER RPCO 308 D=8£2.06 Add to
053118802936/0WHEEL COVER - GREY£2.87 Add to
054118802934/0FRONT WHEEL COVER - SILVER£6.95 Add to
056112604903/0STARLOCK WASHER D=10£2.06 Add to
057118802666/0FRONT WHEEL£21.02 Add to
058118802922/0ADJUST HANDLE - YELLOW£2.18 Add to
059118802696/0FRONT AXLE£24.18 Add to
060118802717/0ADJUST LEVER£2.87 Add to
061112726388/0CROSS-HEAD SCREW M4X12£2.06 Add to
062118805078/0WASHER 30×4x1£2.18 Add to
063118802718/0FIXATION BLOCK£4.52 Add to
064118802665/0BEARING SHELL£6.55 Add to
065112689515/0HEX-HEAD SCREW M6 x 45£2.06 Add to
066118802309/0BLADE£66.76 Add to
067118802646/0SPRING TINE£2.18 Add to
068118802680/0FIXING BLOCK£16.70 Add to
070118802906/0BEARING£12.96 Add to
071118802904/0NUT M14£2.87 Add to
072118802694/0WASHER£2.74 Add to
073118802675/0FIXATION COVER£2.06 Add to
074112000957/0CIRCLIP D=10£2.59 Add to
075118802720/0SWORD AXLE£19.90 Add to
077118810266/0ROTOR SCARIFIER ASSY 1300W£64.70 Add to
078118810268/0SCREWS POCKET SCARIFIER 1300W£27.27 Add to
079118804674/0DEAD HAND SWITCH [YELLOW]£37.49 Add to
080118806492/0COMPLETE PULLEY ASSEMBLY£25.97 Add to