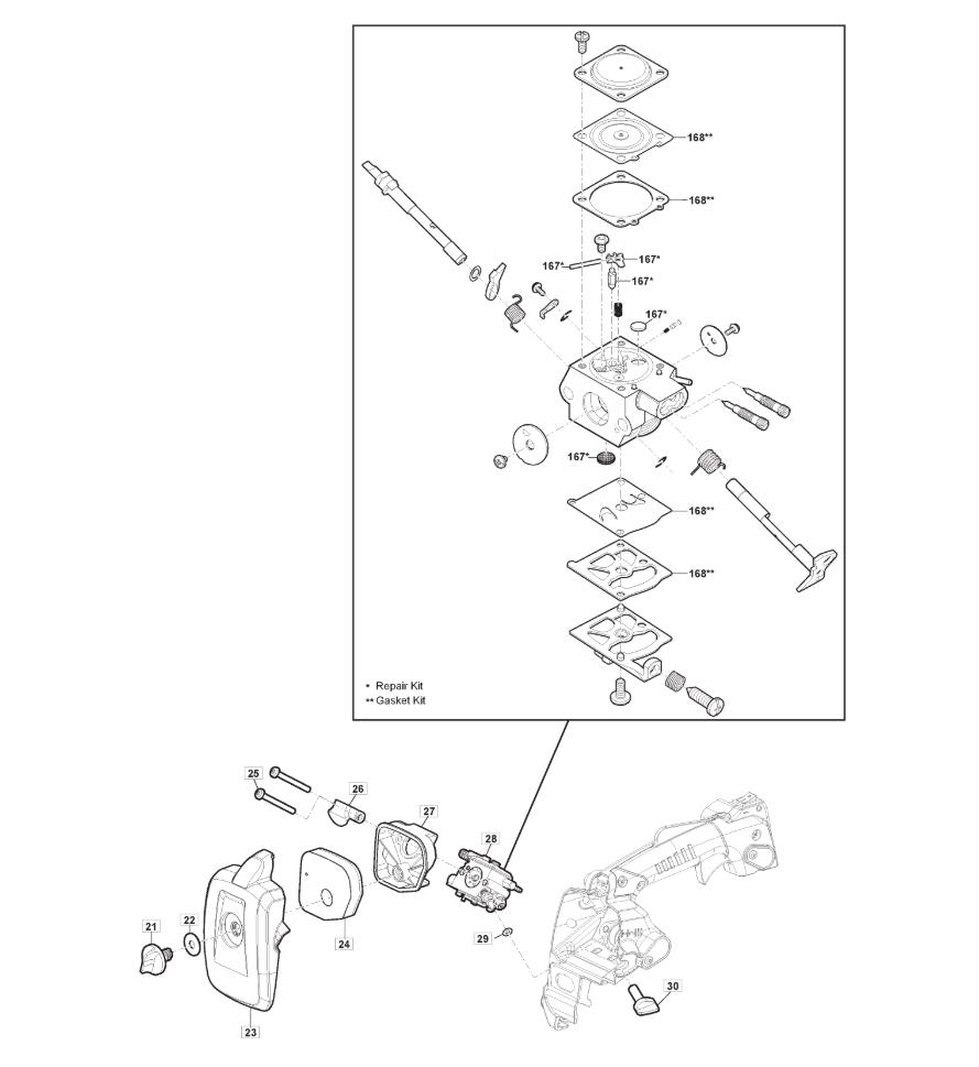
Engine - Carburettor assembly details for Mountfield MPC 2710 (240271003/M17) 2018 model
Parts list
Match the number with the image on the left and click "Add" button to add the item to your basket
Please note, that the prices are for individual items
Items might appear more than once on the drawing, please check and adjust the quantity you require.
Fantastic service, and prompt delivery. Thanks guys
Nick Berry
23/10/2025
Great quality tyres which replaced the original (32 year old!) tyres on my Countax K18. Best pricing I could find online.
Brilliant, speedy service from World Of Mowers. Thanks.
Craig Richardson
23/10/2025
Easy to source and order. Arrived in good time. All fitted and working well.
Thanks
Dave Adams
23/10/2025
A five star rating for World of Mowers for excellent service and delivery of parts for my Mountfield SP414 mower. I am not particularly 'handy', but this is the second time that WOM have enabled me to get my mower working again, at a cost of just a few pounds.
My machine must be about 10 years old and yet all parts are still available from WOM and easily identified from their diagrams. My first repair cost be a few pounds for a Carboreter (?) spring. The second for a plastic holder for the pull cable. Both jobs were accomplished in a few minutes and left me feeling good.
Well done World of Mowers.
Peter Graham
22/10/2025
All our prices include VAT