Engine 1

Engine 1 assembly details for Mountfield MPC 2710 (240271003/M17) 2018 model

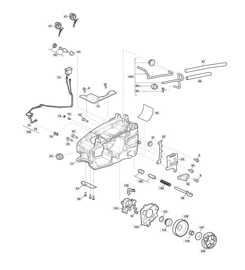
Parts list

Match the number with the image on the left and click "Add" button to add the item to your basket

Please note, that the prices are for individual items

Items might appear more than once on the drawing, please check and adjust the quantity you require.

RefNoDescriptionPrice
005118800189/0SELF-TAP SCREW 4.8 x 16£1.79 Add to
008123878121/0SCREW 4.2 x 13£1.79 Add to
0302135030TORX SCREW M5 x 20£1.79 Add to
0622135040TORX SCREW M5 x 18£1.79 Add to
063118804796/0AIR CONVEYOR£3.69 Add to
064118804797/0SUPPORT PLATE£2.47 Add to
065112727815/0SCREW 8P x 3/8£1.79 Add to
066118804730/0HEAT PROTECTION£3.15 Add to
067118804252/0OIL TANK CAP£5.45 Add to
072118804813/0CABLE COVER£2.87 Add to
073118804802/0SWITCH£5.46 Add to
074118804803/0Electric CableN/A POA
075118804804/0Electric CableN/A POA
076118804733/0WIRE CLIP£1.58 Add to
077118804734/0CRANKCASE£38.44 Add to
078118804735/0O RING 1.5 x 6.5£1.79 Add to
079118804736/0NOZZLE£2.86 Add to
083118804737/0GROMMET£1.79 Add to
087118804815/0INSULATED PIPE£2.06 Add to
088118804741/0CORRUGATED PIPE£2.06 Add to
089118804740/0FUEL FILTER£4.99 Add to
090118804234/0CLIP£1.58 Add to
091118804742/0CAP£1.79 Add to
092118804743/0SPIKE£3.15 Add to
093118804744/0INTERNAL PLATE£3.81 Add to
094118804745/0LEAD SCREW£1.79 Add to
095118804746/0CHAIN STOPPER£2.06 Add to
098118804747/0OIL PIPE£4.27 Add to
100118804749/0SPRAY NOZZLE£3.41 Add to
101118804750/0OIL PUMP£19.22 Add to
102118804751/0OIL PUMP COVER£1.79 Add to
103118550608/0WORM WASHER£1.79 Add to
104118804752/0WORM£3.15 Add to
105118804753/03/8 CLUTCH DRUM£15.69 Add to
106123235001/0NEEDLE BEARING 10X13X13£5.12 Add to
107118804818/0WASHER 8 x 26 x 1.5£2.06 Add to
108118804758/0CLUTCH£15.00 Add to
158118804853/0OIL PIPE SPRING£2.47 Add to
160118804800/0OIL FILTER ASSEMBLY£2.87 Add to
161118804801/0BREATHER VALVE ASSEMBLY£5.06 Add to
166118804820/0FUEL TUBE ASSEMBLY£13.77 Add to
169118804966/0GROUND/OFF LINE WIRE ASSY£2.87 Add to