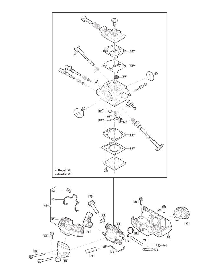
Engine - Carburettor

Engine - Carburettor assembly details for Mountfield MC 3814 (240381403/M17) 2018 model

Parts list

Match the number with the image on the left and click "Add" button to add the item to your basket

Please note, that the prices are for individual items

Items might appear more than once on the drawing, please check and adjust the quantity you require.

RefNoDescriptionPrice
0202135040TORX SCREW M5 x 18£1.79 Add to
067118804346/0AIR INTAKE MANIFOLD£10.36 Add to
068323784016/0CARBURETTOR SUPPORT£9.00 Add to
069118804963/1INTAKE PIPE ASSEMBLY£17.45 Add to
071118804353/1FUEL TUBE£1.79 Add to
072118804352/0TUBE£1.38 Add to
073118804351/1CARBURETTOR£108.31 Add to
074118804278/0CHOKE KNOB BUSH£1.58 Add to
075323315115/0CHOKE KNOB£1.79 Add to
076118804349/0GUIDE£2.87 Add to
077118804348/0THROTTLE ROD£2.06 Add to
078118804347/0KNOB£1.79 Add to
079118804409/0AIR FILTER BASE£8.73 Add to
081118804908/0AIR FILTER ASSEMBLY£5.87 Add to
082118804282/0LOCK KNOB£1.79 Add to
083118804344/0AIR FILTER LOCK£1.58 Add to
084112731601/0SELF-TAP SCREW 4.8 x 16£2.32 Add to
087118804524/0CARBURETTOR REPAIR KIT£18.68 Add to
088118804525/0CARBURETTOR GASKET KIT£29.14 Add to
089118804908/0AIR FILTER ASSEMBLY£5.87 Add to