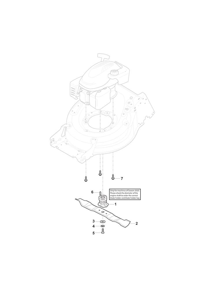
BLADE assembly details for Mountfield SP485 HW V (294507833/M22) 2022 model
Parts list
Match the number with the image on the left and click "Add" button to add the item to your basket
Please note, that the prices are for individual items
Items might appear more than once on the drawing, please check and adjust the quantity you require.
I was really impressed with the turnaround of my order and delivery time. I’m very happy with the Stiga strimmer I bought too. Overall it’s a pleasure doing business with World of Mowers.
Ismaril Wells
06/05/2026
Great service.
Douglas Duncan
06/05/2026
Excellent service from WOM, order for ride-on mower placed on Monday and machine delivered, and part-exchange collected, on Thursday. Nice people to deal with, wouldn't hesitate to recommend them.
David Thomas
06/05/2026
Prompt and efficient service
tom robinson
06/05/2026
All our prices include VAT