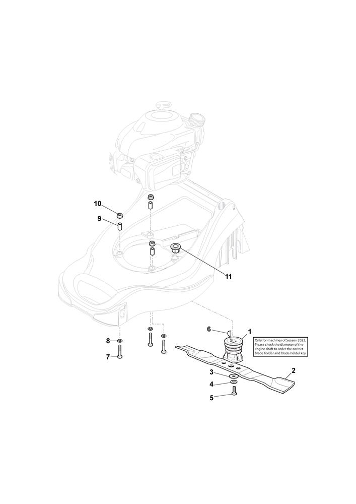
BLADE assembly details for Mountfield SP164 (297412048/MC) 2022 model
Parts list
Match the number with the image on the left and click "Add" button to add the item to your basket
Please note, that the prices are for individual items
Items might appear more than once on the drawing, please check and adjust the quantity you require.
Found this firm most helpful and parts spot on thanks
neville welch
01/04/2026
Easy ordering system and quick delivery.
Chris RIDGES
01/04/2026
Part was easy to identify online with part number etc. The part (clutch cable) was received within 48hrs & fit exactly to the existing mower. Great service.
Bob Curwen
01/04/2026
Very happy , Easy to use web site made my choice of mower placed order , contacted by dealer in relation
to delivery . Mower delivered with no problems . Mower works well and hopefully will continue to do so for many years to come.
Gordon Hodgkinson
01/04/2026
All our prices include VAT