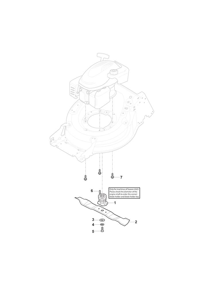
BLADE

BLADE assembly details for Mountfield HW531 PD (294556043/M22) 2022 model

Parts list

Match the number with the image on the left and click "Add" button to add the item to your basket

Please note, that the prices are for individual items

Items might appear more than once on the drawing, please check and adjust the quantity you require.

RefNoDescriptionPrice
001122465607/4BLADE BOSS D=22.2mm£10.49 Add to
002181004464/0MULCHING BLADE 55 MP1£23.50 Add to
003122160400/0SPRING WASHER 50 x 2 x 10.2£2.18 Add to
004112523080/0WASHER M10 11 x 30 x 2.5£2.06 Add to
005112735698/0HEX-HEAD SCREW 3/8" x 2"£2.02 Add to
006112139100/0WOODRUFF KEY 4 x 6.5 D=16 UNI6606 C40£2.75 Add to
007112735108/1TELF-FORM SCREW 3/8" X 1¼" UNC£2.57 Add to