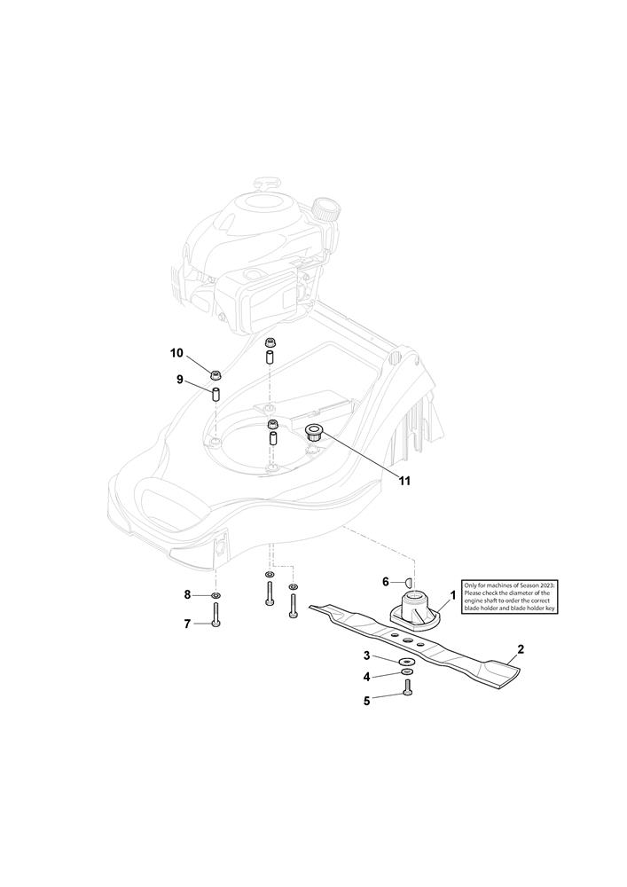
BLADE

BLADE assembly details for Mountfield HP164 (297411048/MC) 2022 model

Parts list

Match the number with the image on the left and click "Add" button to add the item to your basket

Please note, that the prices are for individual items

Items might appear more than once on the drawing, please check and adjust the quantity you require.

RefNoDescriptionPrice
002181004360/3BLADE 39cm£11.40 Add to
003122160400/0SPRING WASHER 50 x 2 x 10.2£2.18 Add to
004112523080/0WASHER M10 11 x 30 x 2.5£2.06 Add to
005112735698/0HEX-HEAD SCREW 3/8" x 2"£2.02 Add to
006112139100/0WOODRUFF KEY 4 x 6.5 D=16 UNI6606 C40£2.75 Add to
007112691910/0SCREW M8X65£2.84 Add to
008112523060/0WASHER M8 8.4 X 24 X 2£2.06 Add to
009122167842/0SPACER£2.86 Add to
010112154210/0SELF-LOCK WINGED NUT M8 DIN 6927£2.06 Add to
011122040265/0MOTOR BUSH£1.79 Add to