Iseki
  • My account
  • Basket
  • Contact Us
  • 0115 920 0099
  • Home
  •  Spares
    •  Iseki Discontinued Models Parts Manuals
    •  Iseki Current Models Parts Manuals
  •  New products
    •  Tractors
    •  Tractors and Ride on Mowers
  • Contact Us

Search by model number

Search by part number

  • Home
  • Iseki Spares
  • Iseki Discontinued Models Parts Manuals
  • Discontinued ISEKI Models if your model
  • SXG 19 - SXG 22
  • PC SCMA54SXG22E4BF DECK (8663-097-130-10

PC SCMA54SXG22E4BF DECK (8663-097-130-10

Assembly List For Iseki sxg-19-sxg-22 Model PC SCMA54SXG22E4BF DECK (8663-097-130-10

JOINT(UNIVERSAL)SYSTEM

JOINT(UNIVERSAL)SYSTEM spare parts
View Components

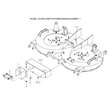
COVER(JOINT)SYSTEM(SCMA54)(NO.500001-)

COVER(JOINT)SYSTEM(SCMA54)(NO.500001-) spare parts
View Components

PULLEY SYSTEM (SCMA48)

PULLEY SYSTEM (SCMA48) spare parts
View Components

PULLEY SYSTEM (SCMA54)(NO.1-400725)

PULLEY SYSTEM (SCMA54)(NO.1-400725) spare parts
View Components

PULLEY SYSTEM (SCMA54)(NO.500001-))

PULLEY SYSTEM (SCMA54)(NO.500001-)) spare parts
View Components

CASE(BEVEL)SYSTEM(SCMA48)

CASE(BEVEL)SYSTEM(SCMA48) spare parts
View Components

CASE(BEVEL)SYSTEM(SCMA54)(NO.1-400725)

CASE(BEVEL)SYSTEM(SCMA54)(NO.1-400725) spare parts
View Components

CASE(BEVEL)SYSTEM(SCMA54)(NO.500001-))

CASE(BEVEL)SYSTEM(SCMA54)(NO.500001-)) spare parts
View Components

BELT COVER SYSTEM (SCMA54)(NO.500001-))

BELT COVER SYSTEM (SCMA54)(NO.500001-)) spare parts
View Components

COLLAR(BLADE)SYSTEM(SCMA54)(NO.500001-)

COLLAR(BLADE)SYSTEM(SCMA54)(NO.500001-) spare parts
View Components

METAL SYSTEM (NO.1-400725))

METAL SYSTEM (NO.1-400725)) spare parts
View Components

BLADE SYSTEM (SCMA48)

BLADE SYSTEM (SCMA48) spare parts
View Components

BLADE SYSTEM (SCMA54)(NO.1-400725)

BLADE SYSTEM (SCMA54)(NO.1-400725) spare parts
View Components

BLADE SYSTEM (SCMA54)(NO.500001-))

BLADE SYSTEM (SCMA54)(NO.500001-)) spare parts
View Components

DECK(MOWER)SYSTEM(SCMA48)

DECK(MOWER)SYSTEM(SCMA48) spare parts
View Components

DECK(MOWER)SYSTEM(SCMA54)(N0.1-400725))

DECK(MOWER)SYSTEM(SCMA54)(N0.1-400725)) spare parts
View Components

DECK(MOWER)SYSTEM(SCMA54)(N0.500001-))

DECK(MOWER)SYSTEM(SCMA54)(N0.500001-)) spare parts
View Components

COVER(DISCHARGE)SYSTEM(SCMA48)

COVER(DISCHARGE)SYSTEM(SCMA48) spare parts
View Components

COVER(DISCHARGE)SYSTEM(SCMA54)

COVER(DISCHARGE)SYSTEM(SCMA54) spare parts
View Components

COVER(BELT)SYSTEM(SCMA48)

COVER(BELT)SYSTEM(SCMA48) spare parts
View Components

COVER(BELT)SYSTEM(SCMA54)(NO.1-400725))

COVER(BELT)SYSTEM(SCMA54)(NO.1-400725)) spare parts
View Components

COVER SYSTEM(SCMA54)(NO.500001-))

COVER SYSTEM(SCMA54)(NO.500001-)) spare parts
View Components

Customer reviews

Easily navigated website, comprehensive stock, replaced near-disappeared (rusted away) grass deflector on my Masport Olympic 500 without hassle. Good prices, rapid delivery and great comms. Recommended. Definitely.
Graham Fairley
17/01/2026
Part works just as described. Thank you
Charlie Couse
17/01/2026
Delivered when said and a very good hand over with all the relevant info
Would definitely recommend
Ray Adams
16/01/2026
Good service - goods accurately supplied in a timely fashion as expected (repeat customer)
Jon Thedham
15/01/2026

View all
All our prices include VAT
Get in Touch

Contact Us

  • Address: Criftin Enterprise Centre, Unit 8, Oxton Road, Epperstone, Nottingham, NG14 6AT

  • Phone: 0115 920 0099

  • Email: info@worldofmowers.co.uk

Product categories

  • Tractors

  • Tractors and Ride on Mowers

Spare parts

  • Iseki Discontinued Models Parts Manuals

  • Iseki Current Models Parts Manuals

Our Blog

  • A Notice On Stock Shortages

    02 July 2022

    In the current climate all business’ have taken a hit from Brexit, the pandemicas well as shortages of vital components needed for the manufacture of heavygoods and machinery, and here at World of Mowers it has finally caught up tous. We value our customers dearly and try to ensure the best possibleshopping experien ... Read More

World of Mowers

© Copyright 2026. All Rights Reserved.

  • About Us
  • Terms & Conditions
  • Privacy
  • Cookie Policy
  • FAQ's
  • Sitemap
  • Contact Us
By using this site you agree to our Terms and Conditions and our Cookie Policy.
Please Accept these before using the site.