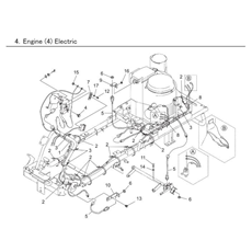
Assembly List For Iseki sra-800-950f Model SRA-800 RIDE ON BRUSHCUTTER
I would like to thank World of Mowers for their help when I placed my order for a new Stiga lawn mower. I received a phone call informing me about my delivery schedule which was delivered on time and overall I would certainly recommend this company to anyone who requires a new lawn mower or simply just spare parts. Many thanks also to Simon who delivered it on the day as planned.
Mark Barry
19/04/2026
Product was as advertised and fitted correctly. Delivered timeously. Thank you.
Brian Mckune
18/04/2026
Great website to get precisely what you need.
Adrian Sharpe
18/04/2026
Excellent range of spares, ordered a wheel for my mower which had broken and was here in under 10 days. Very satisfied and highly recommended. Will be returning for annual service products and spares.
Dean Phillips
18/04/2026
All our prices include VAT