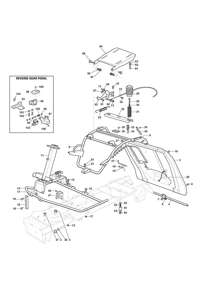
FRAME

Parts list

Match the number with the image on the left and click "Add" button to add the item to your basket

Please note, that the prices are for individual items

Items might appear more than once on the drawing, please check and adjust the quantity you require.

RefNoDescriptionPrice
002125034002/1BUSH£3.96 Add to
003384545057/3REAR PLATE [BLACK]£170.61 Add to
004127037000/1REAR PLATE FULCRUM AXLE£7.78 Add to
005325547012/1BRAKE PEDAL PLATE£4.52 Add to
006112791213/1SCREW M6 X 18£1.74 Add to
007112292102/0FLANGED HEXAGONAL NUT M6£2.06 Add to
008384801149/2SEAT SUPPORT FRAME£140.59 Add to
009112792611/0SCREW TE M8x16 UNI 5739 ACC.8.8£2.06 Add to
010112293201/0HEXAGON NUT M8 WITH EXAGONAL FLANGE£2.06 Add to
011382785243/0STEERING COLUMN SUPPORT£90.22 Add to
012112792611/0SCREW TE M8x16 UNI 5739 ACC.8.8£2.06 Add to
013112293201/0HEXAGON NUT M8 WITH EXAGONAL FLANGE£2.06 Add to
014384801107/3FOOTBOARD SUPPORT£52.06 Add to
015327787025/0FRAME SUPPORT£3.55 Add to
016112792611/0SCREW TE M8x16 UNI 5739 ACC.8.8£2.06 Add to
017112293201/0HEXAGON NUT M8 WITH EXAGONAL FLANGE£2.06 Add to
018112735120/0FLANGED SELF-TAP SCREW 6.3 x 16£2.06 Add to
020384040300/0CORD£3.64 Add to
023112523060/0WASHER M8 8.4 X 24 X 2£2.06 Add to
024112155000/0LOW SELF-LOCKING NUT M8£2.06 Add to
026112379511/0STRAIGHT GREASE NIPPLE M6 x 1£2.06 Add to
027125034001/0BUSH£4.23 Add to
028325122003/0HOOD PROTECTION£11.18 Add to
029112691400/0HEX-HEAD SCREW M8 X 50£1.76 Add to
030112521350/0WASHER M8 8.4 x 16 x 1.6£2.06 Add to
031127430602/1SHOCK ABSORBER SPRING£6.95 Add to
032327543047/0SEAT SPRING PLATE£10.09 Add to
033125430263/0SEAT SWITCH SPRING£1.79 Add to
034125160048/0SPACER£2.32 Add to
035112728697/0SELF-TAPPING SCREW TORX K50 x 16£2.06 Add to
036325785379/1SEAT MICRO SUPPORT£2.06 Add to
037112293201/0HEXAGON NUT M8 WITH EXAGONAL FLANGE£2.06 Add to
039112735110/0FLANGED SELF-TAP SCREW 4.8 X 13£2.81 Add to
040127430600/0MICRO LIFT SEAT SPRING£2.74 Add to
041127294001/0REAR CONVEYOR GUIDE£20.72 Add to
042112735120/0FLANGED SELF-TAP SCREW 6.3 x 16£2.06 Add to
043112523040/0WASHER M6 6.6 x 18 x 1.6£2.06 Add to
047327772095/0SUPPORT BRACKET£2.06 Add to
048112735105/0SELF-TAP SCREW TE 3.5 x 16£2.06 Add to
051127047012/0BUSH£13.49 Add to
052127430577/0RETURN SPRING£6.27 Add to
053325670008/1ANTI-FRICTION WASHER 10.8 x 19 x 0.8£2.06 Add to
054112000955/0CIRCLIP D=8£1.79 Add to
060112521331/0WASHER M6 6,4X12,5X1,6 BLACK£2.06 Add to
061125943009/0HEX-HEAD SCREW M8 x 1.25£2.06 Add to
062384317107/0BRAKE FULCRUM LEVER£13.77 Add to
063127430598/0SPRING£4.78 Add to
064122524970/3SEAT FULCRUM PIN FROM S/N 88153£2.06 Add to
065384317109/0WZ ENG.BRAKE COM.LEVER 352 F72FL ASSY£12.82 Add to
067112154210/0SELF-LOCK WINGED NUT M8 DIN 6927£2.06 Add to
069119216050/0BALL BEARING 19 x 6 x 6£2.87 Add to
071112154510/0LOW SELF-LOCKING NUT M6 UNI7474 ACC.6S£2.06 Add to
072384004608/0BLADE BRAKE CONTROL CABLE£23.17 Add to
073112604899/0STARLOCK WASHER RPCO 308 D=8£2.06 Add to
081112792611/0SCREW TE M8x16 UNI 5739 ACC.8.8£2.06 Add to
081112793102/0SCREW TE M8x20 UNI 5739 ACC.8.8£2.06 Add to
082112540260/0INNER TOOTHED WASHER M8£2.06 Add to
082112583500/0WASHER M8 UNI 1751 WZ£2.06 Add to
083112523060/0WASHER M8 8.4 X 24 X 2£2.06 Add to
084382547061/1SEAT PLATE ASSEMBLY£38.44 Add to
085122524970/3SEAT FULCRUM PIN FROM S/N 88153£2.06 Add to
086112155010/0SELF-LOCKING NUT M8 A-LOK ACC.6S£2.47 Add to
087118203854/0NUT CAP M8 [BLACK]£2.06 Add to
094327773093/1MICRO RW SUPPORT BRACKET£20.04 Add to
095327110564/0RW PEDAL COVER [BLACK]£3.69 Add to
096327787113/0RW PEDAL SUPPORT£4.10 Add to
097327600183/0RW PEDAL GUARD£4.37 Add to
098112604896/0STARLOCK WASHER D=6£2.06 Add to
099122517866/0PIN£2.06 Add to
100127430601/0SAFETY SPRING£2.47 Add to
101112791213/1SCREW M6 X 18£1.74 Add to
102112292102/0FLANGED HEXAGONAL NUT M6£2.06 Add to
103119410622/1MICRO SWITCH N.O.£7.10 Add to
104112437503/0LOCK PLATE£2.06 Add to
105112728697/0SELF-TAPPING SCREW TORX K50 x 16£2.06 Add to
106112789021/0HEX-HEAD SCREW M5 X 20 UNI 5739£1.81 Add to