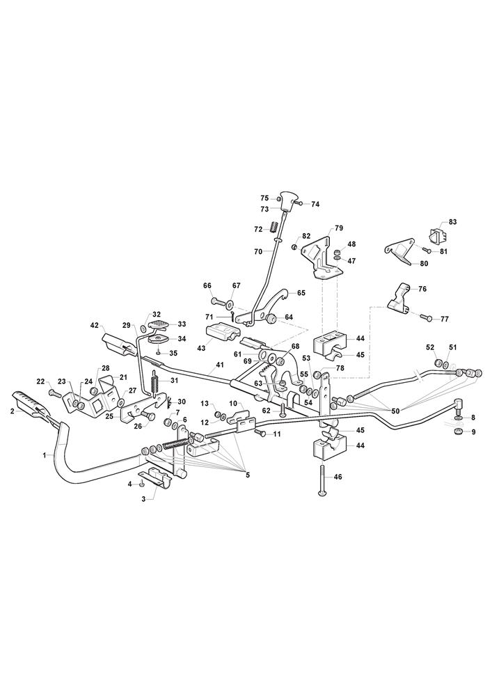
BRAKE AND GEARBOX CONTROLS WITH CRUISE CONTROL

Parts list

Match the number with the image on the left and click "Add" button to add the item to your basket

Please note, that the prices are for individual items

Items might appear more than once on the drawing, please check and adjust the quantity you require.

RefNoDescriptionPrice
001382500011/2BRAKE PEDAL£70.68 Add to
002325110416/0PEDAL COVER [BLACK]£9.41 Add to
003325547081/2BRACKET£5.46 Add to
004112731601/0SELF-TAP SCREW 4.8 x 16£2.32 Add to
005382000675/0BRAKE ROD ASSEMBLY£77.95 Add to
006112521350/0WASHER M8 8.4 x 16 x 1.6£2.06 Add to
007112155000/0LOW SELF-LOCKING NUT M8£2.06 Add to
008112521360/0WASHER M10 10.5 x 20 x 2£2.06 Add to
009112155000/0LOW SELF-LOCKING NUT M8£2.06 Add to
010325547281/1SUPPORT PLATE£7.10 Add to
011112815210/0SCREW M6 x 20£2.06 Add to
012112523040/0WASHER M6 6.6 x 18 x 1.6£2.06 Add to
013112154510/0LOW SELF-LOCKING NUT M6 UNI7474 ACC.6S£2.06 Add to
021325785143/1SUPPORT BRACKET£4.91 Add to
022112815210/0SCREW M6 x 20£2.06 Add to
023112523040/0WASHER M6 6.6 x 18 x 1.6£2.06 Add to
024112154510/0LOW SELF-LOCKING NUT M6 UNI7474 ACC.6S£2.06 Add to
025325253001/0HOOK£4.52 Add to
026122524970/3SEAT FULCRUM PIN FROM S/N 88153£2.06 Add to
027325670011/0ANTI-FRICTION WASHER 8.2 x 19 x 0.8£2.06 Add to
028112155000/0LOW SELF-LOCKING NUT M8£2.06 Add to
029125033097/0BRAKE HOOK CONTROL ROD£14.32 Add to
030124487997/0SPRING CLIP D=1.8£2.06 Add to
031125430213/0SPRING£2.06 Add to
032112523040/0WASHER M6 6.6 x 18 x 1.6£2.06 Add to
033325592001/1BRAKE KNOB-TOP£1.79 Add to
034325592002/1BRAKE KNOB-BOTTOM£1.79 Add to
035112727815/0SCREW 8P x 3/8£1.79 Add to
041382000389/1DRIVE PEDAL ASSEMBLY£71.09 Add to
042325110417/0FRONT PEDAL COVER [BLACK]£9.41 Add to
043325110418/0REAR PEDAL COVER [BLACK]£9.41 Add to
044325785354/0UPPER BRACKET£2.47 Add to
045325034003/0SPACER£2.18 Add to
046112815271/0SCREW M6 x 70£2.06 Add to
047112523040/0WASHER M6 6.6 x 18 x 1.6£2.06 Add to
048112154510/0LOW SELF-LOCKING NUT M6 UNI7474 ACC.6S£2.06 Add to
050382000680/0ADVANCE ROD ASSEMBLY£41.16 Add to
051112523040/0WASHER M6 6.6 x 18 x 1.6£2.06 Add to
052112154510/0LOW SELF-LOCKING NUT M6 UNI7474 ACC.6S£2.06 Add to
053112521360/0WASHER M10 10.5 x 20 x 2£2.06 Add to
054112523040/0WASHER M6 6.6 x 18 x 1.6£2.06 Add to
055112154510/0LOW SELF-LOCKING NUT M6 UNI7474 ACC.6S£2.06 Add to
061325774477/0BRACKET SUPPORT£26.18 Add to
062112815210/0SCREW M6 x 20£2.06 Add to
063112292102/0FLANGED HEXAGONAL NUT M6£2.06 Add to
064125040638/0BUSH£5.87 Add to
065325022000/1HOOK PLATE£41.16 Add to
066112691100/0HEX-HEAD SCREW M8 x 35£2.81 Add to
067112523060/0WASHER M8 8.4 X 24 X 2£2.06 Add to
068322672152/0ANTI-FRICTION WASHER 8.2 x 30 x 0.8£1.91 Add to
069112155000/0LOW SELF-LOCKING NUT M8£2.06 Add to
070125033091/0CRUISE CONTROL ROD£13.77 Add to
071124487995/0R CLIP D=2£0.79 Add to
072125430232/0SPRING£2.06 Add to
073325605002/0PUSH BUTTON£2.87 Add to
074112726389/0SCREW M4 X 12 (BLACK GALVANIZED)£2.06 Add to
075112290800/0HEXAGON NUT M4 UNI 5588 ACC.6S£2.06 Add to
077112789100/0HEX-HEAD SCREW M5 x 30£2.06 Add to
077112789195/0SCREW M5 x 20£2.06 Add to
078112154330/0LOW SELF-LOCKING NUT M5£2.06 Add to
080325785479/0MICRO SWITCH BRACKET£9.00 Add to
081112791011/0SCREW TE M6x14 UNI 5739 ACC.8.8£1.79 Add to
082112292102/0FLANGED HEXAGONAL NUT M6£2.06 Add to
083119410623/0MICRO SWITCH N.C.£7.92 Add to