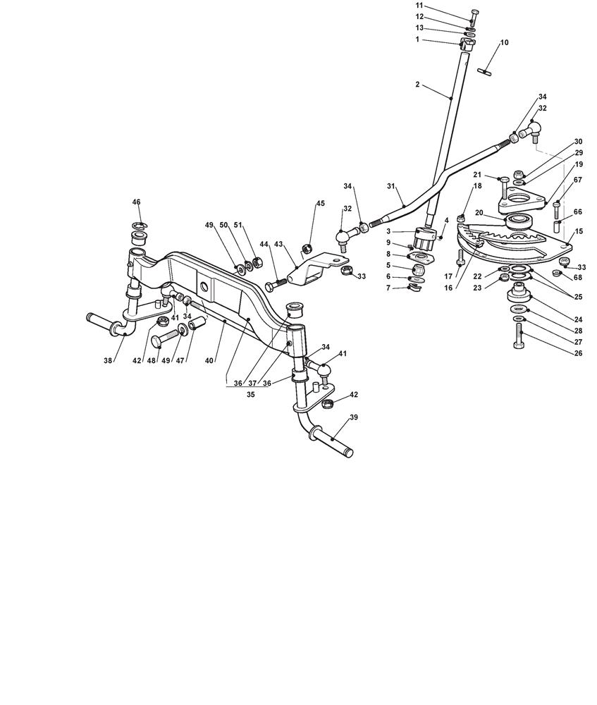
STEERING

Parts list

Match the number with the image on the left and click "Add" button to add the item to your basket

Please note, that the prices are for individual items

Items might appear more than once on the drawing, please check and adjust the quantity you require.

RefNoDescriptionPrice
001325038004/0BUSH (BLACK)£3.65 Add to
002125520010/0STEERING COLUMN£32.69 Add to
003125570004/0STEERING PINION£10.73 Add to
004112714300/0DOWEL PIN M6 x 12£2.06 Add to
005325743000/0JOINT£3.00 Add to
006322672151/0ANTI-FRICTION WASHER 12.2 x 30 x 0.8£1.91 Add to
007112436030/0PIN PLATE£1.91 Add to
008325785213/1STEERING JOINT SUPPORT£2.32 Add to
009112729600/0SELF-TAP SCREW TE 5.5 x 16£2.06 Add to
010112620250/0PIN 6 x 24£2.06 Add to
011112691800/0HEX-HEAD SCREW M8 x 60£2.06 Add to
012112583500/0WASHER M8 UNI 1751 WZ£2.06 Add to
013122671651/0WASHER 8.3 x 22 x 2£2.32 Add to
015325735523/2WZ STEERING WHEELS SECTOR TC£39.99 Add to
016325150000/0STEERING QUADRANT£7.34 Add to
017112791213/1SCREW M6 X 18£1.74 Add to
018112154510/0LOW SELF-LOCKING NUT M6 UNI7474 ACC.6S£2.06 Add to
019325774453/0BEARING BRACKET£25.44 Add to
021112691100/0HEX-HEAD SCREW M8 x 35£2.81 Add to
022122671651/0WASHER 8.3 x 22 x 2£2.32 Add to
023112155000/0LOW SELF-LOCKING NUT M8£2.06 Add to
024125510120/0BEARING COLLAR£10.73 Add to
025322672153/0ANTI-FRICTION WASHER 20.2 x 30 x 0.8£2.06 Add to
026112692395/2SCREW M10 x 60£3.49 Add to
027112523080/0WASHER M10 11 x 30 x 2.5£2.06 Add to
028112521390/0WASHER M16 17 x 30 x 3£1.91 Add to
029112523080/0WASHER M10 11 x 30 x 2.5£2.06 Add to
030112156602/0LOW SELF-LOCKING NUT M10£1.79 Add to
031125033003/1STEERING ROD£36.77 Add to
032122746616/0ANGULAR JOINT NS16 M10£24.95 Add to
033112156602/0LOW SELF-LOCKING NUT M10£1.79 Add to
034112295200/0HEXAGON NUT M10£1.79 Add to
035382034001/3FRONT AXLE ASSEMBLY£167.33 Add to
036125034002/1BUSH£3.96 Add to
037112379511/0STRAIGHT GREASE NIPPLE M6 x 1£2.06 Add to
038382230361/1RIGHT STUB AXLE£39.80 Add to
039382230359/1LEFT STUB AXLE£45.26 Add to
040325840001/1TIE ROD£15.13 Add to
041122746616/0ANGULAR JOINT NS16 M10£24.95 Add to
042112156602/0LOW SELF-LOCKING NUT M10£1.79 Add to
043382318185/0STEERING ARM£23.23 Add to
044112692395/2SCREW M10 x 60£3.49 Add to
045112155000/0LOW SELF-LOCKING NUT M8£2.06 Add to
046112001000/0CIRCLIP ID=15 TH=1.5£1.83 Add to
047125160005/1SPACER£5.37 Add to
048112694100/0HEX-HEAD SCREW M16 x 80£3.69 Add to
049112521390/0WASHER M16 17 x 30 x 3£1.91 Add to
050112587900/0WASHER£2.06 Add to
051112295800/0HEXAGON NUT£1.91 Add to
066122167840/0SPACER£2.06 Add to
067112691200/0HEX-HEAD SCREW M8 x 45£2.06 Add to
068112293201/0HEXAGON NUT M8 WITH EXAGONAL FLANGE£2.06 Add to