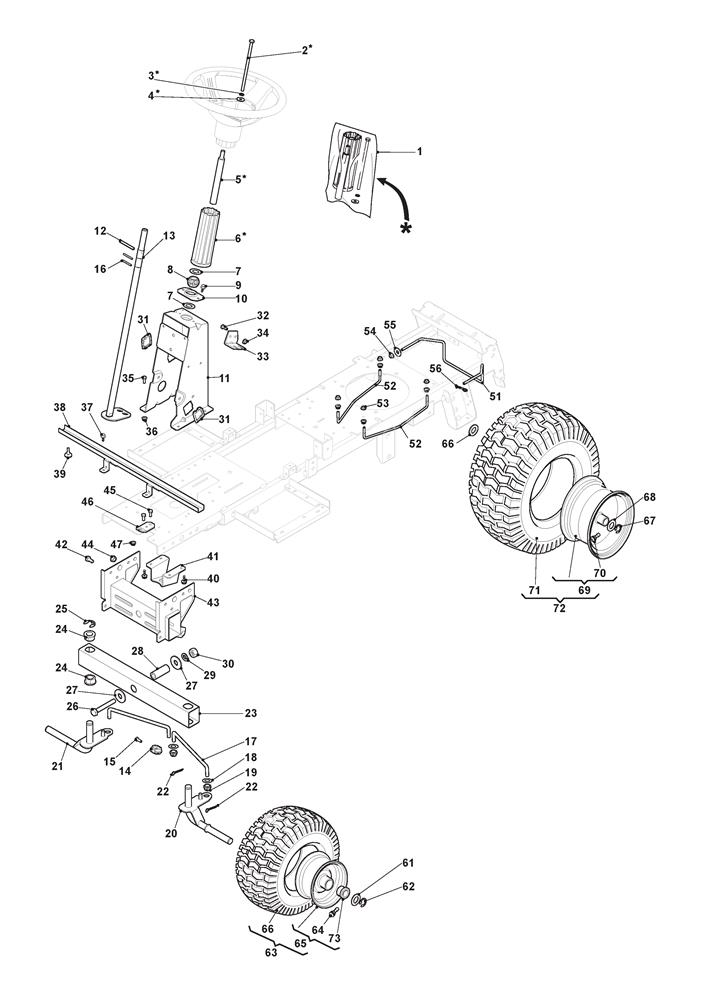
STEERING

Parts list

Match the number with the image on the left and click "Add" button to add the item to your basket

Please note, that the prices are for individual items

Items might appear more than once on the drawing, please check and adjust the quantity you require.

RefNoDescriptionPrice
001384180219/0STEERING WHEEL ASSEMBLY KIT£64.32 Add to
002384180219/0STEERING WHEEL ASSEMBLY KIT£64.32 Add to
003112540260/0INNER TOOTHED WASHER M8£2.06 Add to
004112523070/0WASHER M8 8.5 x 32 x 2.5£2.06 Add to
005384180219/0STEERING WHEEL ASSEMBLY KIT£64.32 Add to
006384180219/0STEERING WHEEL ASSEMBLY KIT£64.32 Add to
007125670023/0WASHER£1.91 Add to
008122746617/0SPHERIC JOINT£2.87 Add to
009112735122/1HEX-HEAD SELF-TAP SCREW 6.3 x 16£2.06 Add to
010327787091/0JOINT SUPPORT£4.91 Add to
011384773575/0WZ NR66 STEER.COL.SUPP.FRONT PLATE ASS.£41.16 Add to
012112620300/0SPIROL PIN 6 x 50£2.02 Add to
013384520051/0STEERING COLUMN£43.77 Add to
014327045074/0STEERING COLUMN BUSH£3.00 Add to
015125943004/0FLANGED SCREW TE 4.8£1.91 Add to
016112620210/0ELASTIC ROLL PIN 4 X 30£2.06 Add to
017127034091/0GEAR ROD£8.87 Add to
018112521350/0WASHER M8 8.4 x 16 x 1.6£2.06 Add to
019327045072/0STEERING ROD JOINT BUSH£2.87 Add to
020384230411/0LEFT STUB AXLE NR66£56.15 Add to
021384230409/0RIGHT STUB AXLE NR66£56.15 Add to
022124487995/0R CLIP D=2£0.79 Add to
023327869061/0FRONT AXLE 15"£28.59 Add to
024127047019/0SPINDLE BUSH NR 66£4.23 Add to
025112000970/0CIRCLIP D=12£2.02 Add to
026112794950/0SCREW M10 x 80£4.11 Add to
027112523080/0WASHER M10 11 x 30 x 2.5£2.06 Add to
028127160062/0FRONT AXLE SPACER WZ£7.63 Add to
029112585100/0WASHER GROWER M10 UNI 1751£2.06 Add to
030112295200/0HEXAGON NUT M10£1.79 Add to
031327580500/0MICRO PLATE£4.75 Add to
032112791213/1SCREW M6 X 18£1.74 Add to
033327772199/0WZ NR66 FRONT BRAKE CABLE REG. STIRRUP£5.32 Add to
034112292102/0FLANGED HEXAGONAL NUT M6£2.06 Add to
035112791213/1SCREW M6 X 18£1.74 Add to
036112292102/0FLANGED HEXAGONAL NUT M6£2.06 Add to
037112735122/1HEX-HEAD SELF-TAP SCREW 6.3 x 16£2.06 Add to
038384783061/0WZ FOOTBOARD SUPPORT ASS.Y NR66£27.27 Add to
039127275000/0RUBBER GROMMET FOR BRAKE PEDAL£3.55 Add to
040112735122/1HEX-HEAD SELF-TAP SCREW 6.3 x 16£2.06 Add to
041327772165/1SUPPORT BRACKET£8.14 Add to
042112792611/0SCREW TE M8x16 UNI 5739 ACC.8.8£2.06 Add to
043384783059/0FRONT AXLE SUPPORT£89.43 Add to
044112293201/0HEXAGON NUT M8 WITH EXAGONAL FLANGE£2.06 Add to
045112791213/1SCREW M6 X 18£1.74 Add to
046327772209/0WZ BLADE ENG. WIRE REG.SUP.STIRRUP NR66£4.52 Add to
047112292102/0FLANGED HEXAGONAL NUT M6£2.06 Add to
051127294009/0BELT GUIDE ENGINE-BLADE PULLEY£18.53 Add to
052127294010/1BELT GUIDE£18.14 Add to
053112292102/0FLANGED HEXAGONAL NUT M6£2.06 Add to
054112154510/0LOW SELF-LOCKING NUT M6 UNI7474 ACC.6S£2.06 Add to
055112521330/0WASHER M6 6.4 X 12 X 1.6£2.06 Add to
056124487997/0SPRING CLIP D=1.8£2.06 Add to
061112521390/0WASHER M16 17 x 30 x 3£1.91 Add to
062112000970/0CIRCLIP D=12£2.02 Add to
063384680074/0FRONT WHEEL ASSEMBLY 13" x 5 P512£95.67 Add to
064125950000/0PNEUMATIC VALVE£5.73 Add to
065184044015/0"FRONT WHEEL RIM 13"" FENGCHI"£54.79 Add to
066125590000/0TYRE 13 x 5.00-6 PR2 TURF SAVER CARLISLE£39.22 Add to
067112001010/0CIRCLIP ID=0,580 TH=0.050£1.76 Add to
068125670005/2SPINDLE WASHER£3.89 Add to
069184044013/0REAR WHEEL RIM 6" x 4.5"£57.52 Add to
070125950000/0PNEUMATIC VALVE£5.73 Add to
071127590068/0TYRE 15 x 5.50-6 PR2 TL P512 WANDA£58.87 Add to
072384680081/0REAR WHEEL ASSEMBLY 15" x 5.50-6 P512£114.20 Add to
073127122250/0WHEEL BEARING D=16 TSB£10.91 Add to