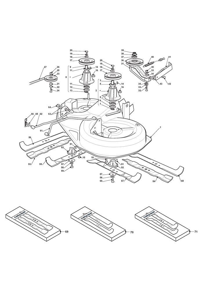
CUTTING PLATE

Parts list

Match the number with the image on the left and click "Add" button to add the item to your basket

Please note, that the prices are for individual items

Items might appear more than once on the drawing, please check and adjust the quantity you require.

RefNoDescriptionPrice
001382564075/1CUTTER DECK CASING NJ92 (BLACK)£424.54 Add to
002382207202/1LCMAIN BLADE SHAFT ASSEMBLY£90.80 Add to
003125020834/0LEFT BLADE SHAFT£30.12 Add to
006325160501/1DUST COVER WASHER£2.06 Add to
007112609260/0CIRCLIP D=20£2.02 Add to
008382207203/1LCSECONDARY BLADE SHAFT ASSEMBLY£87.58 Add to
009125020835/0RIGHT BLADE SHAFT£30.12 Add to
012325160501/1DUST COVER WASHER£2.06 Add to
013112609260/0CIRCLIP D=20£2.02 Add to
014112139480/0KEY 6x6x20 UNI6604-A 6.8£2.06 Add to
015112818700/0SCREW M8 x 25£2.81 Add to
016112154210/0SELF-LOCK WINGED NUT M8 DIN 6927£2.06 Add to
017125601563/0PULLEY£45.26 Add to
018125670007/0FIXING WASHER£2.06 Add to
019112583500/0WASHER M8 UNI 1751 WZ£2.06 Add to
020112793102/0SCREW TE M8x20 UNI 5739 ACC.8.8£2.06 Add to
021125160079/0SPACER£4.35 Add to
022125670007/0FIXING WASHER£2.06 Add to
023325601599/0PULLEY (STEEL) (BEARING HOLE D 15)£19.62 Add to
024112691115/0HEX-HEAD SCREW M8 x 40£2.06 Add to
025112523060/0WASHER M8 8.4 X 24 X 2£2.06 Add to
026112155000/0LOW SELF-LOCKING NUT M8£2.06 Add to
027135061508/0LCDECK DRIVE BELT AA86£63.60 Add to
031382318141/2TENSION ARM£35.50 Add to
032112691700/0SCREW M8 x 55£1.91 Add to
033112523070/0WASHER M8 8.5 x 32 x 2.5£2.06 Add to
034322672152/0ANTI-FRICTION WASHER 8.2 x 30 x 0.8£1.91 Add to
035112155000/0LOW SELF-LOCKING NUT M8£2.06 Add to
036125601564/1BLADE IDLER PULLEY£46.61 Add to
037119216048/0BEARING£18.27 Add to
038112610800/0CIRCLIP D=35£2.06 Add to
039112609200/0CIRCLIP D=15£2.06 Add to
040382004618/0DECK ENGAGE CABLE£23.17 Add to
041382774215/3CLAMP BRACKET£29.06 Add to
042112792611/0SCREW TE M8x16 UNI 5739 ACC.8.8£2.06 Add to
043112293201/0HEXAGON NUT M8 WITH EXAGONAL FLANGE£2.06 Add to
051112139100/0WOODRUFF KEY 4 x 6.5 D=16 UNI6606 C40£2.69 Add to
052125463200/0BLADE BOSS£9.08 Add to
053182004352/0RIGHT MULCHING BLADE 92cm£21.26 Add to
054181004346/3BLADE 46CM£13.66 Add to
055182004354/0RIGHT MULCHING BLADE 92cm£26.18 Add to
056182004345/1RIGHT WINGED BLADE 92cm/36"£24.95 Add to
057122160400/0SPRING WASHER 50 x 2 x 10.2£2.18 Add to
058112523080/0WASHER M10 11 x 30 x 2.5£2.06 Add to
059112735695/1HEX-HEAD SCREW 3/8" x 1 1/2" L/H THREAD£4.23 Add to
060112735694/0HEX-HEAD SCREW 3/8" X 1 1/2" 24 UNF£1.97 Add to
061382000535/0EQUALIZER ROD£32.82 Add to
062382000533/0EQUALIZER ROD£34.68 Add to
063325670008/1ANTI-FRICTION WASHER 10.8 x 19 x 0.8£2.06 Add to
064112156602/0LOW SELF-LOCKING NUT M10£1.79 Add to
065325670008/1ANTI-FRICTION WASHER 10.8 x 19 x 0.8£2.06 Add to
066124487998/0R CLIP D=2£2.06 Add to
067182004353/0LEFT MULCHING BLADE 92cm£26.18 Add to
068182004344/1LEFT WINGED BLADE 92cm/36" (deck size)£21.18 Add to