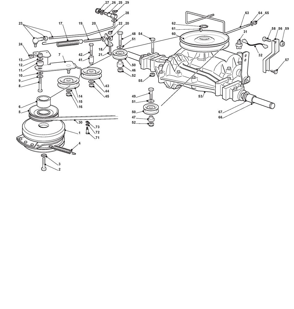
TRANSMISSION WITH ELECTROMAGNETIC CLUTCH

Parts list

Match the number with the image on the left and click "Add" button to add the item to your basket

Please note, that the prices are for individual items

Items might appear more than once on the drawing, please check and adjust the quantity you require.

RefNoDescriptionPrice
001118399063/1ELECTROMAGNETIC CLUTCH (not returns on this item)£342.22 Add to
002112737320/0THREADED SCREW 7/16" x 3" 20 UNF£4.78 Add to
003112543000/0SAFETY WASHER D=7/16£2.06 Add to
004122430217/0Spring (OBSOLETE)N/A
005125601567/0MOTOR PULLEY£31.63 Add to
006125160059/0PULLEY SPACER L=25.8£6.69 Add to
007382318217/1PULLEY LEVER£24.95 Add to
008112691115/0HEX-HEAD SCREW M8 x 40£2.06 Add to
009112523060/0WASHER M8 8.4 X 24 X 2£2.06 Add to
010327670055/0ANTI-FRICTION WASHER£2.06 Add to
011125510087/0FULCRUM PIN£5.46 Add to
012112523060/0WASHER M8 8.4 X 24 X 2£2.06 Add to
013112155000/0LOW SELF-LOCKING NUT M8£2.06 Add to
014125601554/0PULLEY£26.18 Add to
015112523060/0WASHER M8 8.4 X 24 X 2£2.06 Add to
016112155000/0LOW SELF-LOCKING NUT M8£2.06 Add to
017125430260/1SPRING£6.71 Add to
018325755049/0SUPPORT BRACKET£3.55 Add to
019125840005/0TIE ROD£2.87 Add to
020112293200/0HEXAGON NUT M8 UNI 5588 ACC.6S£1.86 Add to
021112818690/0SCREW M8X20 UNI 5732 WO/NUT 8.8 BZ£1.49 Add to
022112293201/0HEXAGON NUT M8 WITH EXAGONAL FLANGE£2.06 Add to
023382820013/0TIE ROD NJ92£27.27 Add to
024112155000/0LOW SELF-LOCKING NUT M8£2.06 Add to
025125510063/0PIN£5.19 Add to
026325670011/0ANTI-FRICTION WASHER 8.2 x 19 x 0.8£2.06 Add to
027112155000/0LOW SELF-LOCKING NUT M8£2.06 Add to
028112521350/0WASHER M8 8.4 x 16 x 1.6£2.06 Add to
029112604899/0STARLOCK WASHER RPCO 308 D=8£2.06 Add to
030135062018/0TRANSMISSION BELT A98£34.20 Add to
031119410610/0NEUTRAL SWITCH [MECHANICAL]£54.79 Add to
032125065026/0CABLE£9.00 Add to
041125510100/0PIN£5.60 Add to
042112691800/0HEX-HEAD SCREW M8 x 60£2.06 Add to
043125601555/0PULLEY£30.26 Add to
044112523060/0WASHER M8 8.4 X 24 X 2£2.06 Add to
045112155000/0LOW SELF-LOCKING NUT M8£2.06 Add to
046125160014/1PULLEY SPACER£7.57 Add to
047125160018/1PULLEY SPACER£6.71 Add to
048112691200/0HEX-HEAD SCREW M8 x 45£2.06 Add to
049112691100/0HEX-HEAD SCREW M8 x 35£2.81 Add to
051122671653/0WASHER 8.3 x 20 x 3£2.06 Add to
052112155000/0LOW SELF-LOCKING NUT M8£2.06 Add to
053118400922/1TRANSAXLE-630030 (LANGHUI)£767.54 Add to
054112691900/0HEX-HEAD SCREW£1.91 Add to
055112154210/0SELF-LOCK WINGED NUT M8 DIN 6927£2.06 Add to
056325774247/0BRACKET£11.87 Add to
057112735150/0SELF-FORMING SCREW M8x16 UNI 8111TT C15£2.06 Add to
058112792611/0SCREW TE M8x16 UNI 5739 ACC.8.8£2.06 Add to
059112293201/0HEXAGON NUT M8 WITH EXAGONAL FLANGE£2.06 Add to
060182601509/0MOBILE PULLEY£77.95 Add to
061112139430/0KEY 3/16" x 3/4"£2.06 Add to
062112608950/0CIRCLIP D=0,584TO D=0,569£2.06 Add to
064112523040/0WASHER M6 6.6 x 18 x 1.6£2.06 Add to
065112292102/0FLANGED HEXAGONAL NUT M6£2.06 Add to
066125160034/0WHEELS SPACER L=29.3£4.78 Add to
067112521410/0WASHER M20 21 x 37 x 3£1.91 Add to
071125580030/0BELT GUIDE PIN£4.91 Add to
072112523060/0WASHER M8 8.4 X 24 X 2£2.06 Add to
073112360425/0SQUARE NUT M8£2.18 Add to