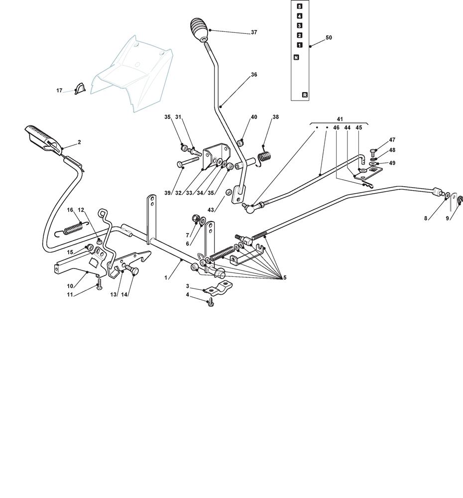
BRAKE AND GEARBOX CONTROLS

Parts list

Match the number with the image on the left and click "Add" button to add the item to your basket

Please note, that the prices are for individual items

Items might appear more than once on the drawing, please check and adjust the quantity you require.

RefNoDescriptionPrice
002125110269/0BRAKE PEDAL COVER£4.10 Add to
003327546015/2WZ FLAT FULCR.AXLE FIX PLATE£2.06 Add to
004112729601/1SELF-TAP SCREW TE FL 5.5 x 16£2.06 Add to
005382000541/1BRAKE CONTROL ROD£43.89 Add to
006112523040/0WASHER M6 6.6 x 18 x 1.6£2.06 Add to
007112154510/0LOW SELF-LOCKING NUT M6 UNI7474 ACC.6S£2.06 Add to
008112521350/0WASHER M8 8.4 x 16 x 1.6£2.06 Add to
009112436050/0PIN PLATE D=8 (EUROFIX FX70308PH)£1.83 Add to
010325785261/0SUPPORT PLATE£5.87 Add to
011112815200/0SCREW TTDQ M6X16£2.06 Add to
012112292102/0FLANGED HEXAGONAL NUT M6£2.06 Add to
013382000531/0PARKING BRAKE LEVER£24.03 Add to
014122524970/2SEAT FULCRUM PIN FROM S/N 88152£2.18 Add to
015112155000/0LOW SELF-LOCKING NUT M8£2.06 Add to
016125430213/0SPRING£2.06 Add to
017325207172/0COVER CLOSE CAP£4.52 Add to
031125510035/0FULCRUM PIN£4.10 Add to
032382774247/0GEAR CONTROL CLAMP£9.14 Add to
033322672152/0ANTI-FRICTION WASHER 8.2 x 30 x 0.8£1.91 Add to
034112523060/0WASHER M8 8.4 X 24 X 2£2.06 Add to
035112155010/0SELF-LOCKING NUT M8 A-LOK ACC.6S£2.47 Add to
036382318215/0GEAR CONTROL LEVER£31.63 Add to
037125394510/0CONTROL KNOB [BLACK]£4.35 Add to
038125430258/0SPRING£8.32 Add to
039112692050/0HEX-HEAD SCREW£1.91 Add to
040112155000/0LOW SELF-LOCKING NUT M8£2.06 Add to
041382000545/0CHANGE GEAR JOINT ROD ASS.Y NJ92/98 DANA£27.27 Add to
043112155000/0LOW SELF-LOCKING NUT M8£2.06 Add to
044325318169/0LEVER PLATE£3.15 Add to
045112521340/0WASHER M7 7.4 x 14 x 1.6£1.79 Add to
046124487997/0SPRING CLIP D=1.8£2.06 Add to
047112735520/0"HEX-HEAD SCREW 1/4"" x 5/8"""£2.06 Add to
048112540040/0EXTERNAL TOOTHED WASHER M6£1.79 Add to
049322680009/0FLAT WASHER 6.5 x 32 x 4 WZ£1.91 Add to